Курсовая работа по теме Проектирование двухвходовой КМОП-схемы дешифратора 2 в 4

💣 👉🏻👉🏻👉🏻 ВСЯ ИНФОРМАЦИЯ ДОСТУПНА ЗДЕСЬ ЖМИТЕ 👈🏻👈🏻👈🏻
Проектирование двухвходовой КМОП-схемы дешифратора 2 в 4
Курсовая работа (Теория) на тему "Проектирование схемы . . .
Схема работы дешифратора - Allbest
Разработка электрической схемы стенда для анализа работы . . .
Spice-модель компонентов
Проектирование микропроцессорной системы | Курсовая работа . . .
Курсовая работа на тему «Синтез цифрового автомата»
Курсовая работа: Логическое проектирование и минимизация . . .
Курсовая работа: Микропроцессорная система на базе . . .
КУРСОВАЯ РАБОТА по дисциплине: «Технические средства . . .
Реферат по теме Водород
Отчет по практике по теме Заключение профконсультанта о профессиональном типе личности
Реферат по теме Вывески с торцевой подсветкой
Тема проекта Проектирование КМОП дешифратора 2 в 4 . Студент группы МТЭ-061 Скиданов Алексей Александрович . Выполнить приближённый расчёт электрических …
Курсовая работа (Теория) по информатике и телекоммуникациям на тему: Проектирование схемы . . .
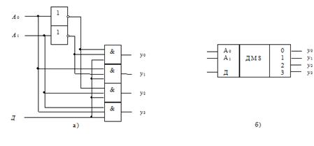
Проектирование двухвходовой КМОП-схемы дешифратора 2 в 4 . Приближенный расчёт электрических параметров двухвходовой КМОП-схемы дешифратора .
Проектирование двухвходовой КМОП-схемы дешифратора 2 в 4 . Приближенный расчёт электрических параметров двухвходовой КМОП-схемы дешифратора .
Проектирование двухвходовой КМОП-схемы дешифратора 2 в 4 Приближенный расчёт электрических параметров двухвходовой КМОП-схемы дешифратора .
2 .3 .4 Временные диаграммы обмена данными по системной шине центрального процессора 2 .4 . Проектирование модуля памяти 2 .4 .1 .
Курсовая работа на тему «Синтез цифрового автомата» . . . 2 .4 Описание выбранного дешифратора и триггера . 2 .4 .1 Дешифратор . . . Формирование сигналов на …
Рис .4 .4 Схема дешифратора адреса к 3-му варианту . На рис .4 .4(а,б) показана схема дешифратора адреса . Причём на рис .4 .4(а) схема синтезирована в …
2 .2 Построение схем дешифрации адресов памяти . 2 .3 Расчет и планирование адресного для устройств ввода-вывода . 2 .4 Построение схем дешифрации адресов …
mysagni .ru /fea/ait/1983-kursovaya-rabota-po-discipline-tehnicheskie-sredstva-avtomatizacii-na-temu-urovnemer-u-1500 .html
КУРСОВАЯ РАБОТА . по дисциплине: «Технические средства автоматизации» . . . помещенного в корпус 2 , по которому перемещается поплавок З с кольцевым магнитом …
Технологический процесс и организация приготовления блюд в школьном питании
Реферат по теме Ремонт блоков питания
Инновационный Проект Реферат
Сочинение Баян Васнецов По Плану
Сочинение Моя Мама Увлекается Цветами
Курсовая работа по теме Понятие и система стадий уголовного процесса
Контрольная работа по теме Формы страхования и расходы страховщика
Анализ Финансовой Устойчивости Предприятия Курсовая Введение
Реферат: Висловлювання про мову
Методы И Приемы Работы По Написанию Сочинений
Отцы И Дети Забвению Не Подлежит Сочинение
Эссе На Тему Удивительный Мир Осенней Природы
Отмена Эссе В Егэ По Обществознанию
Курсовая работа по теме Роль клиринговой палаты на фондовой бирже
Реферат На Тему Значения
Курсовая работа: Теневая экономика, пути вывода экономики из тени
Реферат По Физре Олимпийские Игры
Дипломная работа: Альтернативные источники энергии. Скачать бесплатно и без регистрации
Дипломная Работа На Тему Иконопись
Курсовая работа: Предмет і метод правової статистики та значення її показників в забезпеченні правопорядку
Курсовая работа по теме Миф в современном мире в романе 'Американские боги' Нила Геймана
Контрольная работа по теме Экономический анализ турфирмы 'Музенидис Тревел'
Реферат На Тему Первый Полет Человека В Космос (Вехи Большого Пути)
Наличие В России Политической Идентичности Народа Эссе
Оформление Сочинения 2 Класс
Сочинение На Тему Была Война 4 Класс
Кредитование В России Реферат
Доклад: Крупнейшие каналы и водоводы Украины
Тяга Датчика Курсовой Устойчивости
Контрольная работа по теме Ценообразование на предприятиях общественного питания
Курсовая работа по теме Льготы в финансовом праве
Курсовая работа по теме Государственные служащие
Курсовая работа по теме Лечение хронических конъюнктивитов
Сочинение Егэ Про Днепр Песков
Сочинение Мой Учитель 7 Класс
Курсовая работа: Спрощена система оподаткування
Дипломная работа по теме Тематические праздники как средство стимулирования интереса к учению младших школьников
Понятия И Сущность Права Курсовая
Контрольная работа по теме Договірне право
Реферат Баскетбол 10 Класс
Реферат по теме Новый передел мира на пороге III тысячелетия: геополитический и историософский аспект
Дипломная Работа На Тему Ответственность За Разбой По Российскому Уголовному Праву
Предмет Статистики Реферат
Реферат Транспортная Иммобилизация При Повреждениях
Реферат по теме Эстетика церемоний и ритуалов в эпоху Возрождения
Курсовая работа по теме Сущность и назначение артикля в английском языке
Реферат: Женщина и война. Скачать бесплатно и без регистрации
Дипломная работа по теме Туристский потенциал города Тотьмы и Тотемского района
Реферат: Свободная любовь по-пролетарски
Банковская Система 2022 Курсовая
Дипломная работа по теме Гражданско-правовые способы защиты права собственности и ограниченных вещных прав
Курсовая работа по теме Экономико-статистический анализ индивидуального предпринимательства
Курсовая работа по теме Флегмона затылка
Детские Неврозы Реферат
Доклад по теме Исламская Республика Мавритания
Реферат: Встреча 2
Курсовая работа: Формальное и неформальное управление: проблемы сочетания. Скачать бесплатно и без регистрации
Реферат На Тему Как Быть Вежливым
Сочинение Герасимова После Дождя Мокрая Трасса
Сочинение На Тему Светлана Баллада Отзыв
Курсовая работа по теме Проектирование компилятора
Конспект Урока Сочинения
Коррупция И Коррупционное Преступление Реферат
Дидактическая Игра Диссертация
Курсовая работа по теме Цивільне судочинство
Курсовая работа по теме Анализ и пути улучшения финансового состояния организации
Курсовая работа по теме Контроль качества медицинской помощи
Реферат по теме Задача об упаковке
Учебное пособие: Формирование сплоченности коллектива
Курсовая работа: Особенности стилистики современной радиорекламы. Скачать бесплатно и без регистрации
Реферат по теме Местные бюджеты, бюджетный федерализм. Доходы и расходы местного бюджета, их экономическое содержание
Реферат по теме Англиканские церкви
Реферат: Billy Budd 2 Essay Research Paper Billy
Дзеяслоў як часціна мовы.пераходныя і непераходныя дзеясловы.катэгорыя трывання дзеяслова.лад дзеяслова.катэгорыя часу дзеяслова.
Дипломная работа по теме Дослідження ролі мотивації в управлінні персоналом на прикладі підприємства ТОВ "Майстер плюс"
Реферат по теме Страхование баскетболистов в России
Курсовая Работа На Тему Медицинская Помощь
Реферат по теме Русская свободная печать на Западе в 1960–1970-е годы
Мини Сочинение По Обществознанию Егэ
Реферат: Лечение доброкачественной гиперплазии
Сочинение По Картине Динамическое Описание 6 Класс
Реферат: The Comradeship Of War Essay Research Paper
Пример Курсовой Работы По Бухгалтерскому Учету
Курсовая Работа На Тему Регламентация Деятельности Персонала: Анализ Должностных Инструкций (На Примере Мэрии Г. Новосибирска)
Реферат На Тему Перестройка В Ссср 1985-1991 Годов
Контрольная Работа Модуль 7 9 Класс
Пороки Древесины 6 Класс Технология Реферат
Реферат: Педагогика Яна Амоса Коменского
Дипломная работа по теме Проектировка участка механической обработки
Реферат по теме Життєвий і творчий шлях Б.Д. Грінченка
Курсовая работа по теме Модернизация и техническое перевооружение электрооборудования и сетей электроустановки объекта: административно-бытовой корпус с ремонтно-механической мастерской в крупнопанельных бескаркасных конструкциях
Дипломная работа по теме Оценка жилой недвижимости
Сочинение Егэ Януш Корчак Видишь Того Малыша
Реферат: Развитие личности ребенка в трудовой деятельности
Реферат: Affliction Essay Research Paper The character Wade
Курсовая работа по теме Міністерство фінансів України як суб’єкт бюджетних відносин
Курсовая работа: Стратегическое планирование развития муниципального образования. Скачать бесплатно и без регистрации
Дом Курсовая
Курсовая Работа На Тему Региональные Налоги
Титульный Лист Для Курсовой Гост
Курсовая работа по теме Проектирование двухвходовой КМОП-схемы дешифратора 2 в 4



























































