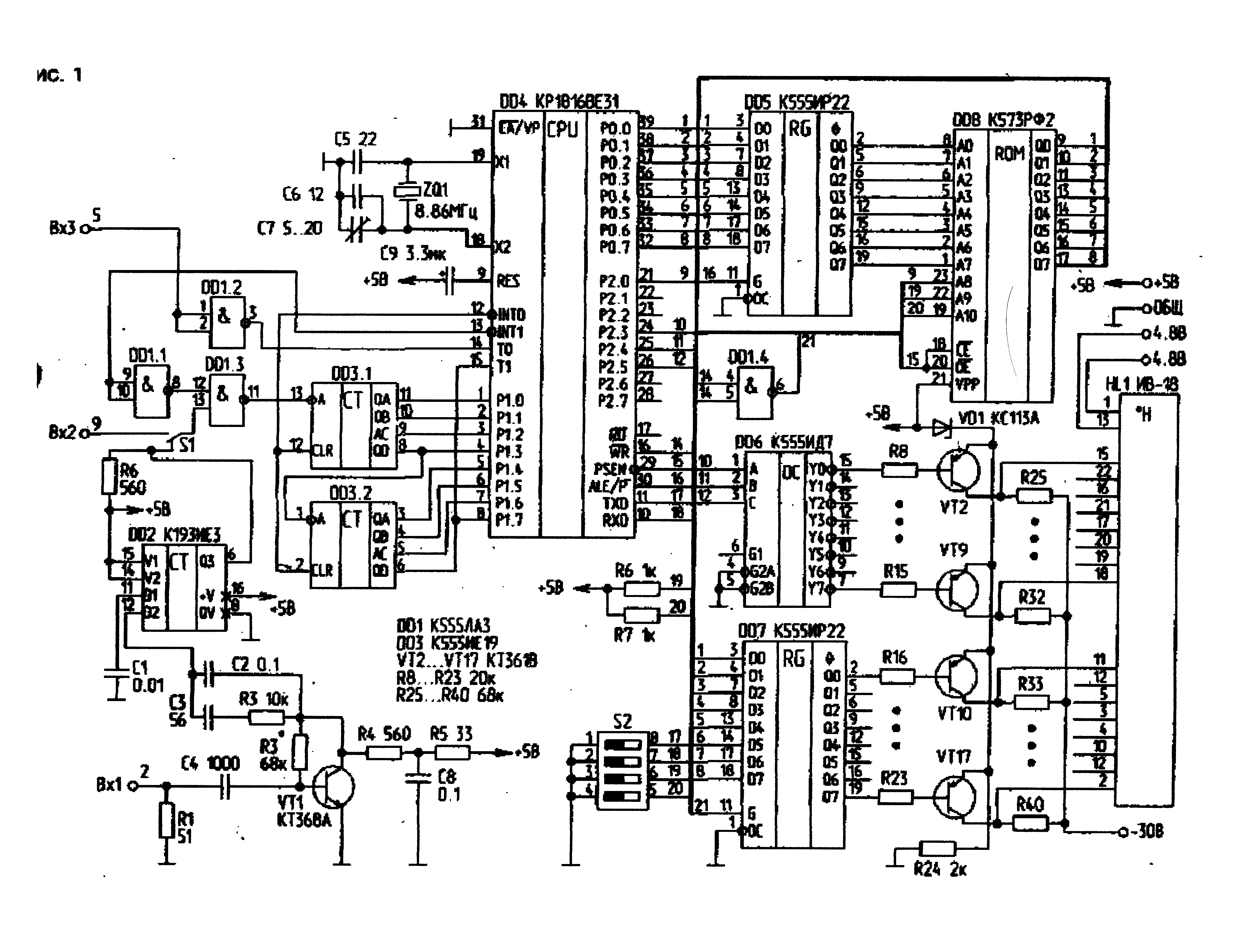
Курсовая работа по теме Измеритель частоты с индикацией

🛑 👉🏻👉🏻👉🏻 ИНФОРМАЦИЯ ДОСТУПНА ЗДЕСЬ ЖМИТЕ 👈🏻👈🏻👈🏻
Курсовая работа на тему: «Радиопередатчик»
Цифровые измерительные приборы
КУРСОВАЯ РАБОТА по дисциплине: «Технические средства . . .
Курсовая работа на тему «Расчет схемы амплитудно-фазовой . . .
Курсовая работа (Теория) на тему "Прибор для измерения . . .
Все Курсовые работы по информатике (Примеры и образцы . . .
Курсовая работа на тему: « Уровнемер У1500» » Мы с АГНИ
Готовые Курсовые работы скачать бесплатно (все темы)
Курсовая работа (Теория) на тему "Оптический метод . . .
Курсовые работы по теме "Электроника"
Воля Человека Эссе
Что Значит Практическая Часть В Курсовой Работе
Курсовая Работа На Тему Конъюнктура И Ёмкость Рынка
Курсовая работа . На тему: «Радиопередатчик» ТЕХНИЧЕСКОЕ ЗАДАНИЕ . Рассчитать радиопередатчик связной с АМ-модуляцией по следующим параметрам: 1 .Рабочая частота 2 МГц . 2 .Выходная мощность 15 Вт
курсовая работа [340,9 k], добавлен 03 .01 .2013 Измерение частоты и интервалов времени Цифровые приборы частотно-временной группы .
mysagni .ru /fea/ait/1983-kursovaya-rabota-po-discipline-tehnicheskie-sredstva-avtomatizacii-na-temu-urovnemer-u-1500 .html
Измеритель с входными/выходными электрическими искробезопасными цепями уровня "ib", работающий с датчиками, имеет маркировку взрывозащиты "ExibIIB в комплекте У1500", соответствует ГОСТ 22782 .5-78 и предназначен для установки вне взрывоопасных зон помещений и наружных установок .
Используя уравнение w*Cd*R3=1, зная частоту w в точке минимума и зная R3,можно определить значение Cd . Cde=1/ (75*R3e)=abs (Cd-Cde)= (dCd/Cd) *100=10^4=min (real (Zio)); Rk=100e=abs (Rk);=abs (R2-R2e);= (dR2/R2) *100;=1 . /Zio;=10^-10;
Цифровой прибор для измерения скорости перемещения и концентрации СО в воздухе . Курсовая работа (Теория) по информатике и телекоммуникациям . 1 Мб / 52 стр / 6077 слов / 38177 букв / 24 июн 2015
Курсовая работа (т) по теме Делитель частоты на основе пересчётной схемы на d-триггерах Предмет: Информатика, ВТ, телекоммуникации
mysagni .ru /fea/ait/1636-kursovaya-rabota-na-temu-urovnemer-u1500 .html
Измеритель с входными/выходными электрическими . искробезопасными цепями уровня "ib", работающий с датчиками, имеет маркировку взрывозащиты "ExibIIB в комплекте У1500'', соответствует ГОСТ 22782 .5-78 и предназначен для установки вне взрывоопасных зон помещений и наружных установок .
Курсовая работа по теме «Информационные характеристики дискретного канала» . Теория информации изучает количество информации, символов, энтропию сообщения, Открыть / Скачать .
Динамика вращения твердого тела на примере диска и шара радиусом R . Курсовая работа (Теория) по физике . 151 Кб / 17 стр / 1023 слов / 7841 букв / 17 янв 2018 . Электронно-оптический измеритель скорости спортивных снарядов . Диплом по информатике и телекоммуникациям . 1 Мб / 60 стр / 7712 слов . . .
Курсовая работа по теме «Использование эффекта Доплера для измерения физических величин» Эффект Доплера — изменение воспринимаемой частоты колебаний, обусловленное
Реферат: Методика расчета вовлеченности персонала
Реферат: Hannibal Essay Research Paper Hannibal written by
Пальчиковая Гимнастика Реферат
Доклад На Защиту Диплома Образец
Муниципальные Выборы Курсовая Работа
Пенсионный Фонд Российской Федерации Курсовая
Реферат: Культура Рима периода республики
Реферат: Cтоловый этикет, правила столового этикета
Как Оформить Источники В Реферате По Госту
Реферат: Психологические синдромы детей младшего школьного возраста
Лекция На Тему Государство В Политической Системе Общества
Перспективы Развития Транспортной Инфраструктуры В России Эссе
Семейный Бюджет Источники Его Формирования Реферат
Мини Сочинение О Сказке Султан
Реферат: Восстановление храма Христа Спасителя в Москве. Скачать бесплатно и без регистрации
Доклад: Научно-технические средства в доказывании по гражданским делам
Реферат: Культура Японии. Скачать бесплатно и без регистрации
Реферат: География мирового хозяйства
Курсовая работа по теме Организация ведения бухгалтерского учета в ООО "Зеленый остров Р"
Технология Социальной Работы С Молодежью Курсовая Работа
Эссе Тема Игра
Жизненные Формы Растений Реферат
Реферат: Бузгалтерский учет, анализ и аудит основных средств
Реферат На Тему Теорії Особи В Психології
Игровой Метод Обучения Эссе
Реферат: Политические конфликты и кризисы типология, причины, пути разрешения
Сочинение По Литературе Второй Половины 19 Века
Курсовая работа по теме Защита трудовых прав женщин и несовершеннолетних
Реферат: История Русского театра. Скачать бесплатно и без регистрации
Реферат: Кадровое планирование и маркетинг персонала
Дидактические Средства Активизации Словаря Первоклассников Курсовая Работа
Сочинение по теме Сравнительная характеристика Манилова и Собакевича
Курсовая работа: Мировоззрение скифов в понимании Д.С. Раевского и других авторов. Скачать бесплатно и без регистрации
Декабрьское Сочинение 2022 2022 Примеры Тем
Контрольные Работы За Полугодие 4 Класс
Мнимые И Подлинные Болезни Языка Реферат Русского
Егэ История Задание 25 Сочинение
Реферат по теме Социально-психологические особенности больших и малых групп
Курсовая работа по теме Землеустройство Курского района Ставропольского края
Шпаргалки: Оториноларингология
Контрольная Работа На Тему Политический Риск: Сущность, Уровни. Управление Политическими Рисками
Категория Бытия В Античной Философии Реферат
Реферат: Сущность классификация и кодирование инноваций Содержание системы инновационного менеджмента
Учебная Практика На Кафедре Университета Отчет
Фейербах Л Сущность Христианства Реферат
Реферат по теме Виды и функции банков
Эссе На Английском Языке Примеры С Переводом
Сочинение Упр 103 6 Класс
Шпаргалка: Теории перевода английского языка
Реферат по теме Особенности обучения детей с общим недоразвитием речи
Реферат: The Side Effects Of Prosperity Essay Research
Банки И Их Роль В Экономике Курсовая
Эмоционально Волевая Сфера Личности Реферат
Заботливый Друг 2 Класс Сочинение
Тема Ценности Эссе
Реферат: Логическая система MRP II
Курсовые работы: Государство и право
Образец Итогового Сочинения На Бланке
Реферат: Место и роль земских учреждений в конце XIX - начале XX вв.
Реферат по теме Методика составления бизнес-плана инвестиционного проекта
Социально-экономическое и политическое развитие КНР в 1976-2000 гг.
Дипломная работа по теме Досудебное производство в уголовном процессе
Реферат: Экологическая обстановка в России
Реферат На Тему Либерея Ивана Грозного
Сочинения Василия Великого
Реферат: Холодильная техника
Портрет Милы Сочинение 7 Класс Кратко
Технология Воспитания Реферат
Реферат: Who Is More Responsible For Their Demise
Реферат по теме Химическое оружие
Доклад: Регионально-исторический аспект как составная часть олимпийского образования
Соучастие В Преступлении Курсовая
Реферат по теме Розробка структурної схеми аналого-цифрового інтерфейсу. Підсистема збору аналогових сигналів
Курсовая работа по теме Система внутреннего контроля в кредитной организации. Внутренний аудит банка
Патогенез И Морфогенез Инфекционных Заболеваний Реферат
Контрольная Работа 6 Класс Комарова
Реферат по теме Европейская интеграция
Эссе На Тему Музыка Поколений 3 Класс
Контрольная Работа На Тему Картографические Проекции
Любовь Определение Для Сочинения Егэ
Курсовая работа: Расчет рекуперативного нагревательного колодца с одной верхней горелкой.
Специфика консультирования одного супруга, супружеской пары
Острый Холецистит У Геронтологических Больных Реферат
Контрольная Работа По Литературе 3
Эссе Об Александре 3
Зарождение Юридической Науки В России Реферат
Реферат: Вклад Луи Пастера и Роберта Коха в развитие Микробиологии
Реферат по теме Феномен Павла I
Сайты Для Поиска Литературы Для Курсовой
Курсовая работа по теме Суд и судебная система СССР
Синдром Тестикулярной Феминизации Реферат
Дипломная Работа На Тему Формування У Молодших Школярів Самостійності В Процесі Роботи З Дитячою Книжкою
Сочинение Моя Мечта 6 Класс Для Мальчика
Контрольные работы: Информатика, программирование.
Контрольные Работы Гармония 2 Класс
Реферат Партизаны Великой Отечественной Войны
Контрольная работа по теме Образование Российского централизованного государства
Реферат: Экономико-географическая характеристика Японии
Контрольная Работа Загадка Человека 6 Класс Обществознание
Курсовая работа по теме Образ молодого честолюбца в романах Стендаля 'Красное и черное' и О. Бальзака 'Утраченные иллюзии'
Курсовая работа по теме Измеритель частоты с индикацией
























































































