Курсовая работа: Справочник радиолюбителя

💣 👉🏻👉🏻👉🏻 ВСЯ ИНФОРМАЦИЯ ДОСТУПНА ЗДЕСЬ ЖМИТЕ 👈🏻👈🏻👈🏻
Реферат: Справочник радиолюбителя - Xreferat .com - Банк . . .
Справочник радиолюбителя (стр . 1 из 4)
Реферат - Справочник радиолюбителя - Информатика . . .
Курсовая работа на тему «Настройка, регулировка и . . .
Курсовая работа: Проектирование системы автоматического . . .
Выпрямители (Реферат) - TopRef .ru
Горшков А . - скачать бесплатно все книги Горшков А .
Расчет многокаскадного усилителя . Курсовая работа (т . . .
Курсовая работа: Система автоматического управления . . .
Разработка регулятора температуры . Курсовая работа (т . . .
Реферат: Информационное поведение пользователей ресурсами Интернет
Курсовая Работа На Тему Договор Новации
Курсовая Работа На Тему Татарская Кухня
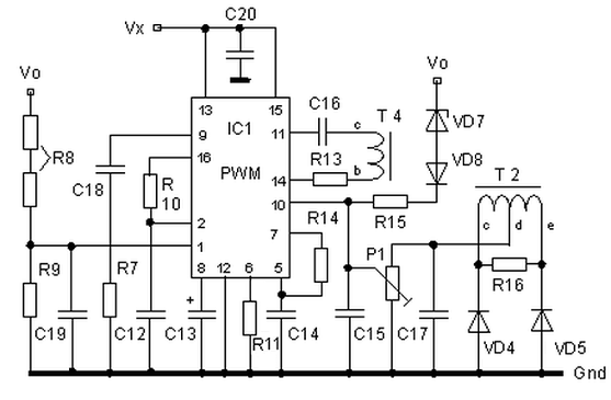
КУРСОВАЯ РАБОТА . Проектирование информационной системы «Справочник радиолюбителя» Расчетно-пояснительная записка к курсовой работе . Листов 38 . Выполнил …
КУРСОВАЯ РАБОТА . Проектирование информационной системы «Справочник радиолюбителя» Расчетно-пояснительная записка к курсовой работе . Листов 38 . Выполнил …
КУРСОВАЯ РАБОТА . Проектирование информационной системы «Справочник радиолюбителя» Расчетно-пояснительная записка к курсовой работе . Листов 38 . Выполнил …
Курсовая работа на тему «Настройка, регулировка и испытание цифрового кодового звонка» . . . Кашкаров А .П . Популярный справочник радиолюбителя . — М .: ИП Радио …
3 Справочник радиолюбителя п/ред . Терещук Р .М .- Киев .: Государственное издательство технической литературы, 1962
Берг А . И . Справочник начинающего радиолюбителя Москва, 1965г . скачать работу Похожие работы:
Контактный e-mail: royallib .ru@gmail .com| Авторам и правообладателям .
Терещук Р .М . Справочник радиолюбителя /Р .М . Терещук, Р .М . Домбругов, Н .Д . Босый - Киев - Государственное издательство технической литературы УССР, 1961 . - 650 с .
2 Справочник по автоматизированному электроприводу /Под ред . В .А . Елисеева и А .В . Шинянского . - m .: Энергоатомиздат, 1983 . - 616 с . 3 Терещук Р .М ., Терещук К .М ., Седов …
Справочная книга радиолюбителя-конструктора: Под ред . Н .И .Чистякова .-М .:Радио и связь, 1990г . Галкин В .И . Промышленная электроника и микро- электроника; Минск
Учебное пособие: Урок–исследование как составная часть формирования исследовательского типа мышления учащихся и средство получения новых прочных знаний по математике
Реферат: Казачество в современной России
Контрольные Работы Кузнецова 6 Класс
Курсовая работа: Сексуальное развитие в юношеском возрасте
Дипломная работа по теме Исследование и прогнозирование финансовых результатов деятельности предприятия
Доклад по теме Абдрашитов Вадим Юсупович
Реферат по теме "Прометей" Скрябина. Свето-музыкальная концепция.
Бюджетные Организации Курсовая
Курсовая работа по теме Европейский парламент
Контрольная работа по теме Налогообложение доходов физических лиц-нерезидентов в Республике Казахстан
Маленькие Герои Большой Войны Сочинение
Реферат: Larry Flint Essay Research Paper Larry FlyntInfamous
Дипломная работа по теме Разработка системы менеджмента в производственно-торговом предприятии
Между Прошлым И Будущим Темы Сочинений Фипи
Контрольная работа: Финансовая деятельность предприятия
Контрольная работа по теме Особенности работы с локальными нормативными правовыми актами
Реферат по теме Полководческое искусство Святослава и военная деятельность Владимира Мономаха
Сравнение Онегина И Ленского Сочинение
Реферат: Основы автоматизации производственных процессов
Отзывы Магистерских Диссертаций
Курсовая работа по теме Важковиховуваність особистості та її причини
Курсовая работа по теме Понятие и сущность организации, причины ее создания
Контрольная работа по теме Трудовые права граждан России за рубежом
Реферат: La Belle Dame Sans Merci An
Дипломная работа по теме Разработка факультативного курса 'Применение метода интервалов при решении неравенств'
Доклад: Ураз-Мухаммед
Дипломная работа по теме Гражданско-правовые способы защиты вещных прав
Отражена Сумма Положительной Курсовой Разницы Проводки
Мини Сочинение Три Богатыря
Гомеопатические Лекарственные Средства Реферат
Реферат На Тему Завдання Та Джерела Нотаріального Процесуального Права
Реферат: Регистрация предприятия, лицензирование
Курсовая работа по теме Виды искусств
Реферат: Гипертоническая болезнь 4
Курсовая работа по теме Моделирование производственной системы
Курсовая Работа На Тему Образование И Социальное Неравенство
Сочинение На Тему Плавание 10 Предложений
Реферат: Сікорський І І - український авіаконструктор
Сочинение На Тему Любовь К Отечеству
Функции Государственной Службы Реферат
Сочинение Про Персонажа Из Капитанской Дочки
Книга: Соловей
Реферат: Климатическая характеристика о.Змеиный
Реферат по теме Закон Российской Федерации о защите персональных данных
Реферат О Гто
Процесс Репродукции Мужской Половой Системы Реферат
Современная Фармация Реферат
Курсовая Работа На Тему Структурные Кризисы: Сущность И Последствия
Контрольная Работа На Тему Исследование Готовности Поступления В Вуз
Реферат: Тема: Совершенствование управления оборотными активами фирмы (на примере ООО «Интертехцентр» )
Контрольная работа: Методы исследования нарушений психических процессов и состояний
Практическое задание по теме Объектно-ориентированное моделирование
Курсовая работа: Информация и информатика. Скачать бесплатно и без регистрации
Основные Принципы Обеспечения Безопасности Труда Реферат
Контрольные Работы Rainbow 2 Скачать
Реферат: Экскурсия по Санкт-Петербургу. Скачать бесплатно и без регистрации
Реферат по теме Участие прокуратуры в нормотворческой деятельности и его формы
Курсовая работа по теме Технологические основы сварки плавлением
Реферат по теме Роль ТНК в процессе интернационализации
Реферат: Детектор излучения сотового телефона
Курсовая Работа На Тему Человек Как Субъект, Индивидуальность, Личность
Практическое задание по теме Составление конкурентной таблицы для туристской фирмы
Управление Конфликтными Ситуациями Курсовая
Реферат: Открепительное удостоверение
Курсовая работа по теме Разработка учебной–дизайн лаборатории парикмахерского сервиса
Реферат по теме Нормы употребления терминов, заимствованных и универсальных слов
Дипломная работа по теме Релейная защита понижающих трансформаторов
Реферат: Правовий статус Товариства Червоного Хреста України
Доклад: Приграничные районы России и Украины
Методическое указание по теме Методы, формы и средства воспитания и самовоспитания
Статья: Изотопные и РЗЭ доказательства гетерогенности андезитового вулканизма
Реферат: Политический имидж
Дзержинский Учебно Курсовой Комбинат
Реферат: Социогенетический подход в аспекте междисциплинарного видения организационной культуры
Дипломная работа по теме Управление финансовыми рисками на примере ТОО "Форпост-Караганда"
Реферат: Методика формирования эмоционально-оценочных суждений старших дошкольников при ознакомлении с произведениями народного декоративно-прикладного искусства
Реферат: Методические рекомендации по организации и проведению мероприятий, посвящённых празднованию 200-летия Победы России в Отечественной войне 1812 года
Реферат по теме Розробка та дослідження економічної кон'юнктури
Реферат: Инструментальные стали. Стали для измерительного инструмента. Штамповые стали. Твердые сплавы. Скачать бесплатно и без регистрации
Реферат: Пессимизм Шопенгауэра
Реферат: Jim Morrison And Susan Sontag Essay Research
Реферат: Алкивиад. Скачать бесплатно и без регистрации
Реферат: Macolm X Essay Research Paper A man
Реферат по теме Физиотерапия пневмонии
Курсовая работа по теме Управление персоналом банка
Реферат: Socrates Plato And Christianity Through The Eyes
Дипломная работа по теме Классификация факторов финансовой несостоятельности организации
Контрольная работа: Общественное производство: цели, ресурсы, возможности, эффективность
Рак Кожи Меланома Онкология Реферат
Контрольная работа: Внешняя политика Советского государства в канун и в годы второй мировой войны. Скачать бесплатно и без регистрации
Эссе По Картине Образец
Реферат: Павел 1
Курсовая работа по теме Планирование молочно-мясного скотоводства в ЗАО Большеатмасское
Реферат по теме Габитарный имидж
Реферат: The Roman Military Essay Research Paper
Дипломная работа по теме Стиснення зображень
Средства Радиационной Разведки И Контроля Реферат
Курсовая Работа На Тему Товар И Его Свойства. Конкретный И Абстрактный Труд
Собрание Сочинений Валентина Распутина
Реферат по теме Токарные станки, их устройство и классификация
Курсовая работа: Справочник радиолюбителя





































































