Курсовая Работа На Тему Электропривод Вентиляционной Установки

⚡ 👉🏻👉🏻👉🏻 ИНФОРМАЦИЯ ДОСТУПНА ЗДЕСЬ ЖМИТЕ 👈🏻👈🏻👈🏻
Курсовая работа: Электропривод вентиляционной установки . . .
Электропривод вентиляционной установки (1) - Курсовая работа
Курсовая работа - Электропривод вентиляционной установки . . .
Электропривод вентиляционной установки | курсовая работа
Электропривод вентиляционной установки (1) - Курсовая . . .
Электропривод вентиляционной установки - реферат, курсовая . . .
курсовая работа Электропривод вентиляционной установки
Электропривод вентиляционной установки
Монтаж электропривода вентиляционных установок
Модернизация электропривода вентиляционной установки ВЦД . . .
Курсовая Работа На Тему Аренда Основных Средств
Основные направления организации и развития туристической фирмы на примере ООО "Карланж"
Практическая Работа Бизнес Планирование
Название: Электропривод вентиляционной установки . Раздел: Промышленность, производство . Тип: курсовая работаДобавлен 15:53:32 29 ноября 2010 Похожие работы .
Как и в других электроустановках, компрессорная установка имеет главный электропривод, а именно асинхронный двигатель с короткозамкнутым . . . +8х4=132ВА (по формуле …
Курсовая работа: Электропривод вентиляционной установки . КУРСОВОЙ ПРОЕКТ " Электропривод вентиляционной установки " Содержание . Введение . 1 . Описание …
Главная Заказать уникальную работу Электропривод вентиляционной установки | курсовая работа Бесплатные Рефераты, дипломные работы, курсовые работы …
Электропривод вентиляционной установки (1) - Курсовая работа , страница 1 . С незапамятных времен человек пытается заменить тяжелый физический труд работой …
курсовая работа по предмету Производство и технологии на тему: Электропривод вентиляционной установки - понятие и виды, структура и классификация, 2017, 2018-2019 …
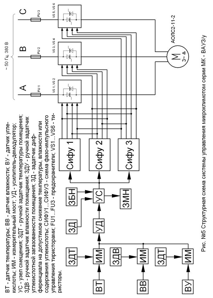
курсовая работа Электропривод вентиляционной установки . Описание технологической схемы вентиляции, выполненной с помощью крышных осевых вентиляторов, оценка ее …
Целью данной курсовой работы является изучение основных сведений по теории расчету, выбору и применению автоматизированных электроприводов в сельскохозяйственном …
Тема 3 — Электропривод вентиляционных установок . В настоящее время вентиляционные установки в с .-х . производстве получили широкое распространение для …
Ответы на вопросы; Курсовые работы; Курсовые проекты; Практические задания; Эссе; Защитная речь; Доклады; Учебные пособия; Контрольные работы; Методички; …
Реферат: Причины неуспеваемости младших школьников
Реферат по теме Правовые основы и последствия реформы П.А. Столыпина
Дневник Прохождения Учебной Летней Практики
Курсовая работа: Уголовно-процессуальное право
Реферат: Развитие Российской Государственной статистики
Курсовая Работа На Тему Современный Подход К Классификации Режимов Искусственной Вентиляции Легких
Сочинение На Тему Мамочка 4 Класс
Реферат: Австрия и Австрийская республика
Клише Для Итогового Сочинения По Литературе Цитата
Доклад: David Hilbert
Дипломная работа по теме Совершенствование сбытовой деятельности организации
Курсовая работа по теме Экономическое обоснование выпуска новой продукции на предприятии
Контрольная Работа На Тему Информационные Технологии На Транспорте
Курсовая работа по теме Композиционные проблемы синтеза искусств в трудах Георгия Петровича Степанова
Курсовая Работа По Русской Литературе
Гиповитаминоз Витамина C У Детей Реферат
Реферат по теме Первые попытки описания устройства Вселенной-Мира
Реферат: Тактика производства очной ставки
Дипломная работа: Оценка финансового состояния предприятия
Дипломная работа по теме Роль бизнес-плана в совершенствовании управления хозяйственной деятельностью предприятия
Реферат по теме Космический мусор
Лазарчук Сергей Собрание Сочинений Скачать
Учебно Курсовой Комбинат Лабинский
ЛЕКЦИЯ 11
Реферат: Химия лантаноидов
Реферат: Моделирование поведения экономических систем в информационном обществе
Психофизиология Внимания Реферат
Контрольная работа по теме Антивирусные программы. Матричный принцип печати. Решение задач на ЭВМ
Человек И Его Место В Природе Эссе
Доклад по теме Время ОИВТА
Курсовая работа: Реклама и брендинг
Курсовая работа по теме Проектирование привода для винтового домкрата
Реферат: Социальная зашита населения в РФ
Курсовая работа по теме Жизнь и творчество Леонида Гайдая
Управление Качеством Транспортного Обслуживания Реферат
Курсовая работа: Сталінські репресії
Дипломная работа по теме Програма розвитку організації
Реферат: Стратегия-31
Реферат по теме Методы экспериментальной экономики
Реферат: Амир Темур
Реферат: Правовое положение лица, владеющего имуществом в течение срока приобретательной давности
Сочинения По Картине Решетникова Мальчишки 5 Класс
Реферат: Refutation To A Bias Suggestion Essay Research
Реферат Проект Дома
Дипломная работа по теме Повышение конкурентоспособности предприятия на примере cтроймаркета 'Новосел'
Отчет по практике по теме Осуществление кредитных операций в коммерческом банке
Контрольная работа по теме Международный кредит
Контрольная работа: Законодательство о PR
Автоматизация Учета Основных Средств На Предприятии Курсовая
Отчет Прохождении Практики В Город Отель Салем
Эссе Mba Пример
Пособие по теме Работа с Power Point 98
Как Писать Сочинение С Тезисом И Аргументами
Реферат: Целенаправленное изменение маркетинговой политики гостиницы с целью усиления ее конкурентных поз
Дипломная работа по теме Метафора сна в романе Цао Сюэциня «Сон в красном тереме»
Контрольная Работа Модуль 2 Спотлайт 7 Класс
Реферат по теме Состав собственных финансовых ресурсов в кризис
Сочинение По Повести Льва Толстого Казаки
Оформление Реферата История Развития Компьютерной Техники
Эссе По Предпринимательскому Праву
Контрольная работа: СССР в 20-30 гг. Скачать бесплатно и без регистрации
Реферат: Екологічні проблеми розвитку і розміщення продуктивних сил Карпатського економічного району
Реферат: Отчет по практике в турагенстве LIMPOPO TRAVEL
Курсовая работа по теме Проектирование двухэтажного жилого дома
Сочинение На Тему Самовоспитание 15.3
Сочинение По Картине Первый Снег 10 Предложений
Сочинение Василия Поленова
Сочинение По Картине Летом 5 Класс
Курсовая работа по теме Формирование и управление инвестиционным портфелем
Реферат: Воспроизведение у животных пороков и недостаточности аортальных клапанов. Скачать бесплатно и без регистрации
Реферат На Тему Курская Битва По Истории
Статья: Використання українознавства та етнопедагогіки як основи національного виховання і навчання управлінських кадрів нової генерації
Курсовая работа по теме Нарушение правил дорожного движения и эксплуатации транспортных средств
Критерии Сочинения Егэ По Русскому 2022
Мощность Реферат
Курсовая работа по теме Вспомогательный справочный аппарат в энциклопедиях
Реферат На Тему Основные Отрасли Психологии И Их Характеристика
Автореферат На Тему Клініко-Рентгенологічні Паралелі В Диференційній Діагностиці Сенсоневральної Приглухуватості Отосклеротичного Генезу
Написать Сочинение Мой Любимый
Реферат: Заболевания сердечно-сосудистой системы. Скачать бесплатно и без регистрации
Магистерская Диссертация По Логопедии Готовые Работы
Курсовая работа по теме Проведение организационной диагностики и проектирование элементов системы управления организацией
Курсовая Работа Гражданское Право Сделки
Темы Рефератов По Вирусам
Курсовая работа по теме Основные направления работы классного руководителя
Эссе На Тему Характер И Цели Прихода Иисуса Христа На Землю
Реферат: Гигиена питания
Сочинение Ночь
Контрольная Работа 7 География Годовая
Реферат: Профессионально-психологические требования к личности работника. Скачать бесплатно и без регистрации
Курсовая работа по теме Учет дебиторской задолженности
Курсовая работа по теме Амортизация основных средств и управление ею
Реферат: Логічна структура понять
Курсовая работа: Методы финансирования расходов и стабилизация фискальной политики России. Скачать бесплатно и без регистрации
Реферат: Шпаргалка по истории государства и права зарубежных стран
Воображение Сочинение 9.3 Цыбулько 1 Вариант
Дипломная Работа На Тему Синтаксические Особенности Научных Текстов Л.В. Щербы
Дипломная работа по теме Микеланджело Буанарроти - Титан Возрождения
Как Написать Сочинение Презентация
Курсовая работа по теме Неукрощенный тональ: гениальность и безумие
Курсовая Работа На Тему Электропривод Вентиляционной Установки





































































