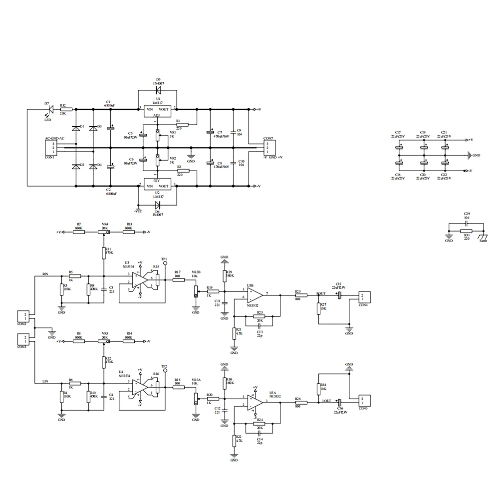
Купить B2 Op Amp Pre-amplifier PCB DIY HiFi Stereo Audio Sound Amplifier Preamp Circuit PCB за 300рублей




Смотри также:
Buy now CushionDecorative Pillow Cool Chucky Childs Play Doll Square Throw Case Decoration 3D Two Side Print The Killer Cushion 09 02
Buy now 10 Frequency Electric Sex Toys Pink Pig Nipple Straw Sexual Stimulation G Spot Clit Vibrator Frequency Conversion Tongue 09 02
Buy now Net celebrity Men039s T Shirts OP14 sleeve American retro couple dress printed high street tide brand loose crewneck T s 08 31
Buy now High Quality Black Tote Bags Large Capacity Denim Quilted Designer Shopper Bag Handbag Woman Fashion Shoulder Bag Messen 09 01
Buy now Retro classic 1990 1992 soccer jerseys 1994 1998 2002 World cup ENGLANDs BLACKOUT kits Mash 1980 1982 1989 Vintage 1996 09 01
Buy now Mens Jackets Winter Fleece Warm Thick Fashion Fur Collar Corduroy Coat Autumn Outwear Military Casual Jacket 221206 for 09 01
Geraklejskie skazki CHast 2 Aleksej Pejdus 2021g Skachat knigu chitat onlajn 08 28
My iz Bresta SHturmovoj batalon Vyacheslav Sizov 2016g Skachat knigu chitat onlajn 08 21
Oficiálna Stránka Pin Up Kasína Pin Ap Mobilnaya Versiya Registraciya Pinap 08 26
Pin Ap Mobilnaya Versiya Pin Up Registration Pin Up Com 08 25
Pin Up Veto Pin Ap Lichnyj Kabinet Pin Up Play Online 08 19
Pin Up Fitaratra Pin Up Pin Up Casino Registraciya 09 06
Prezhde chem vash rebenok svedet vas s uma Najdzhel Latta 2010g Skachat knigu chitat onlajn 08 25
Pinup ZHүktep Alyңyz Pin Up Bet Pin Up Casino Registraciya 08 25
Pin Up Kazino Zerkalo Pin Up Personal Account Registraciya Pin Up 08 25
Promyshlennyj silikonovyj transformator kontroliruemyj apparat dlya tochechnoj svarki peremennogo toka Kupit sejchas za 650 6370 08 16
SYNERGETIC ZHidkoe mylo Melissa i romashka antibakterialnoe s ehffektom uvlazhneniya 1000 Kupit sejchas za 218 rublej s dostavko 08 18
V putah shajtana Mihajlo Kocyubinskij g Skachat knigu chitat onlajn 08 21
Zakachete Јa Oficiјalnata Veb Stranica Na Onlaјn Kazino Www Pin Up Casino Pin Up Betting Germani 08 31
Zakachi Naјava Pin Up Mirror Working Input Pin Up Reviews 09 04
Zdorove i ehnergiya v lyubom vozraste Liz Burbo 2020g Skachat knigu chitat onlajn 08 25
Интересно знать:
SFF 8654 to PCI E 30 40 Slimline SAS Card Adapter and U2 U2 SFF 8639 NVME PCIe SSD Cable for Mainboard SSD po luchshej cene na r 10 06
Unisex Cotton Funny Black Cat Be Nice Or Leave Cat Lovers Vintage Summer Mens Novelty T Shirt Harajuku Streetwear Tops Soft Tee 10 07
Kupit Universal Tablet Bag Case Magnet Pack 7 8 10 101 inch Sleeve Stand Cover Pouch Series 26 Letters PU Leather Tablets Holder 10 07
Kupit L13 Color Screen Smart Watch Heart Rate Blood Pressure Blood Oxygen Monitoring Bluetooth Call Multifunctional Sports Brace 10 07
DP to HDMI Male Monitor 8K 60hz UHD 4K DisplayPort 14 Source to HDMI 20 Display Adapter Connector po luchshej cene na rynke Vseg 10 07
Summer Men Funny Monkey graphic t shirts Fashion Trend Personality 3D Printed T shirts Hip Hop Harajuku Casual streetwear Top po 10 07
Camouflage Net Camo Netting Camping Sun Shelter Sunshade Mesh for Hunting Shooting Military Interior Decoration Net Car Awning p 10 07
New Elegant Fascinator Hats For Women Wide Brim Organza Kentucky Derby Church Dresses Wedding Fedora Summer Vacation Sun Hat po 10 07
Metal Upgrade Aluminum Parts Front Axle Steering Cup For YK4102 YK4082 YK4103 110 RC Car Parts po luchshej cene na rynke Vsego z 10 07
Kupit Titan Nation Snowy Night Keycaps Blue Keycap 129keys Pbt Five Sided Sublimation Original Height for Mechanical Keyboard GH 10 08
Suit Collar Adjustable Woman Men Kitchen Restaurant Cafe Waiter Work Overalls Bib Home Baking Cleaning Pinafore Server Smock po 10 09
Kupit Secondary Storage Box for GMC Sierra 2019 2020 4rd Gen Center Console Organizer Tray Car Central Armrest Car Styling Acces 10 09
Kupit Ankle Boots Cowhide Men Army Shoes Men Cowboy Boots Fashion Autumn Winter Genuine Leather Mens Boots British Retro Combat 10 09
For ZONTES G1 125 ZT125 Z2 ZT125 U U1 125 G1X U125 Motorcycle Accessories Rear Fender Mudguard Mudflap Rear Wheel Splash Guard p 10 09 2
Cat bed With Mat Pet House Cushion Puppy Soft Warm Round Bed Deep Sleeping Bag Winter Cat Basket Kitten Nest Cat Accessories po 10 09
Shoes men Sneakers Male casual Mens Shoes tenis Luxury shoes Trainer Race Breathable Shoes fashion loafers running Shoes for men 10 10 55
Arbutin Whitening Freckle Face Serum Remove Melasma Essence Fade Dark Spots Melanin Brighten Skin Pigment Correction Products po 10 10
Mens African Elephant Print Hoodie Set Long Sleeve Sweatshirt Sweatpants 2 Pieces Fashion Autumn Tracksuit Male Clothing po luch 10 11
StoBag 10pcs Laser Non woven Shopping Tote Shoulder Bag Eco friendly Large Reusable Gift Storage Pouches Custom LogoExtra Fee po 10 11
Mini Watch Remote Control Car ABS 24 GHz Racing Car Watch With USB Charging Cartoon RC Small Car Gifts For Boys And Girls po luc 10 11
7 Drawer Fabric Dresser Storage Tower Dresser Chest with Wood Top and Easy Pull Handle Organizer Unit for Closets po luchshej ce 10 11
cypcut laser control fscut 1000 with good price and quality po luchshej cene na rynke Vsego za 3860 366700rublej 10 11
Korean Fashion Bow Neck Black White Plaid Short Luxury Jacket Fallwinter O Neck Bow Knit Cardigan Sweater Coat Womens Clothes po 10 11
Kupit 2022 Summer Pearl Pumps Women Pointed Toe Ankle Strap High Heels Shoes Woman Med Heel Elegant Bowknot Dress Shoes Ladies N 10 11
Kupit Sweater Women Hooded Collar Knitted Long Sleeve Pullover Loose Casual Patchwork Colors 2022 Autumn Winter New Korean Editi 10 12
Kupit Exquisite Portable Portable Transparent Cosmetic Bag Large capacity Pvc Small Daisy Wash Bag Cosmetic Storage Travel Bag z 10 12
3PCS Soft Hydrogel Film For Amazfit GTS 3 GTS 2 2e GTS 2 Mini Smartwatch Screen Protector for GTS2 GTS2e GTS3 Film Not Glass po 10 12
Kupit XCAN Milling Cutter 14 Shank Corner Rounding Router Bits Wood Engraving Bit Chamfer End Mill For Woodworking Tool za 300ru 10 12
Kupit DSQICOND2 Casual and fashionable cap for men and women Couples Unisex DSQ ICON Street Trend Baseball Cap for men women Gif 10 12 2
Middle Frame Bezel Plate for Blackberry Key 2 LE Replacement Parts Housing Middle Frame with Side Keys po luchshej cene na rynke 10 12
Latest DDCS EXPERTM350 345 axis CNC offline controller kit M3K is used for machining and engraving to replace mach3 DDCSV31 po l 10 13
Источники вдохновления:
Источник-1 | vander-horst.nl | kulinarydoma.ru | kinglish.com | aekino.ru | ip-sosnevo.ru | escortexxx.ca | spectr-sb116.ru | socialdummies.com | devinddytn.oblogation.com | teslanews.ee | pinterest.it | pinterest.co.uk | pinterest.co.kr | classicoitaliano.ru | join.corbinfisher.com | ti80.online.fr | noydpo67.ru | blog.londraweb.com | kanoonsobhan.ir | kaptur.club | 39.glawandius.com | blog.apopov.ru | mientaynet.com | oplata.info | oplata.info | oplata.info | oplata.info | oplata.info | google.gm |