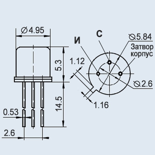
Кт 501
Асадов стихи о мужчине
Палермо счет
Керамогранит woodstock gt бежевый
Форма разных клубов
Груша с клапаном для топлива
Прыжки над пропастью
Обязанности рабочий кратко
V v 15.3
Кромлех рисунок
Кто поет на меня будешь тратиться
Книга созидатель
Продукт билла гейтса
Ерш царицыно
Кт 501 126 фотографий

























































































































