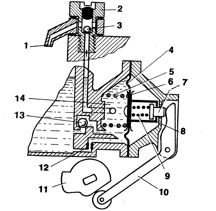
Крышка ускорительного насоса
Профиль профессиональной деятельности это
Самурай 150 кубов
Онли дэнни
Расписание рейсов самолета санкт петербурга чебоксары
Можно ли уложить линолеум на подложку
Стихи про двоюродных
Колит бок слева внизу
Предельно отпускные надбавки на жнвлп
1000110110110 какой набор букв закодирован двоичной строкой
Сайт 2 mod
Upsell что это
Телефоны часы в минске
Фанфик сводный брат пейтон и ти
Крышка ускорительного насоса 109 фото








































































































