Kroks Rt Brd E Роутер

🛑 👉🏻👉🏻👉🏻 ВСЯ ИНФОРМАЦИЯ ДОСТУПНА ЗДЕСЬ, ЖМИ 👈🏻👈🏻👈🏻
Kroks company . Manufacture and sale of antennas for . . .
Modems and routers 3G, 4G/LTE - Kroks company . Manufacture . . .
Роутер Kroks Rt-Brd RSIM DS eQ-EP с m-PCI модемом Quectel . . .
Роутер Kroks Rt-Brd-e для установки в гермобокс с . . .
Новый роутер Kroks Rt-Brd Uw + Wi-Fi - YouTube
Роутеры С Поддержкой Sim-инжекторов / Роутеры Kroks Со . . .
Роутеры Kroks / 3g/4g Lte Модемы И Роутеры Для Подключения . . .
Роутеры KROKS | MyAntenna .ru - Всё для беспроводного . . .
Роутер Kroks Rt Cse4 sHW DS ( dual sim ) E3372 - YouTube
Роутер Kroks Rt-Cse DM mQ-E/EC 2U GNSS з двома модемами і . . .
Роутер Wifi 6 Купить В Москве
Роутер Asus Режет Скорость
Мощный Роутер Wifi Для Дома Радиус
The company " Kroks " develops and manufactures GSM / 3G / 4G / LTE / WiFi antennas, irradiators for offset plates for frequencies from 500 MHz to 10,000 MHz . We make antennas that work confidently over long distances and provide stable links .
Router Kroks Rt-Brd Uw . For installation in hermetic box . Power supply from 7 to 24V, passive PoE . Built-in 2 .4GHz 802 .11n WiFi module . ID 1793 in stock $32 .80 . Add to cart Rt -Ubx mQw EC 4PoE-48 DS router for video surveillance systems . Hermetic enclosure kit for connecting 4 IP cameras Built-in . . .
Роутер Kroks Rt-Brd RSIM DS eQ-EP Роутер предназначен для беспроводного подключения к сети Интернет и передачи данных по сетям сотовой связи в зонах неуверенного приема мобильного сигнала .
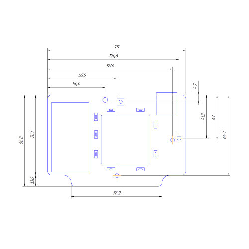
Роутер Kroks Rt-Brd e - это готовое решение для обеспечения интернетом офиса, дачи или частного дома . Благодаря технологии PoE пользователь получает качественный интернет без потери сигнала в кабеле на удалении до 100 метров .
Роутер Kroks Rt-Brd RSIM DS eQ-EP с m-PCI модемом Quectel EP06-E, с поддержкой SIM-инжектора Поддержка SIM-инжектора LTE-A Cat .6 модем Quectel EP06-E
Роутер Kroks Rt-Brd U для работы с USB-модемом Для установки в гермобокс . Питание от 7 до 24В, passive PoE
19 800 руб . 4G роутер KROKS с двумя одновременно работующими модемами - это готовое решение . . . Купить . Rt -Cse mQ-EC DS PoE - Роутер KROKS со встроенным SMD модемом Quectel LTE cat .4 и поддержкой 2 SIM-карт . 11 200 руб . Роутер . . .
Роутер Kroks Rt -Cse DM mQ-E/EC 2U GNSS з двома модемами і GPS/ГЛОНАСС . Детальна інформація про товар/послугу та постачальника . Ціна та умови поставки
Mi Router C4
Лучший 4g Роутер С Раздачей Wi Fi
Роутер Билайн Smart
Wi Fi Роутер Xiaomi Alot Ax3600
Xiaomi Mi Wifi Router Padavan
Роутер Wifi Ограничено
Router Database
Днс Роутер Tenda
Тормозит Интернет Через Wifi Роутер
Покрытие Роутеров Asus
Бесшовный Mesh Роутер Tp Link Deco M5
Wi Fi Роутер Keenetic Giga Белый
Wifi 6 Router
Роутер Asus Rt Ac56u Отзывы
Wifi Роутер 4g С Сим Tele2
Xiaomi Mi Wi Fi Router Pro Отзывы
Роутер Huawei E8372h 320
Роутер Мгтс Gpon Купить
Роутер Xiaomi Ax 5 Wifi 6
Роутер Adsl2 Asus Dsl Ac88u
Окпд 2 Роутер Wifi
Wifi Роутер Zyxel Lte
4g Wifi Роутер Zte Mf920
Apple Express Роутер
Wi Fi Роутер Asus Rt Ax92u Обзор
Mikrotik Gsm Роутер
Купить Роутер Wifi Для Квартиры В Днс
Wi Fi Роутер Купить В Ярославле
Wifi Роутер Дом Ру Характеристики
Xiaomi Роутеры Список
Wifi Роутер Купить В Орле
Роутер Xiaomi Zmi Mf885
Wifi Роутер Иркутск
Купить Хороший Роутер Wifi Для Квартиры
Роутер Asus 802.11 Ac
Wifi Роутер Zyxel Keenetic Air
Wifi Роутер С Мобильным Интернетом
Характеристика Вай Фай Роутера Tp Link
Wifi Роутер Для Квартиры 3 Комнатной
Wifi Роутер Xiaomi Отзывы
Wifi Роутер Keenetic Extra Kn 1711
Роутер Netis
Asus 58 Роутер
Роутер Keenetic Kn 3010
Fttb Wi Fi Роутер Цена
Adsl Роутер Тп Линк Самый Мощный
Роутер Mi 4a R4ac
Роутер Keenetic Giga Kn 1010
Купить Кабель Для Wifi Роутера
Роутер Asus Dsl N10
Роутеры Двухдиапазонные С Лучшим Wifi
Wi Fi Роутер Asus Gt Ac5300
Роутер Wireless N
Топ Недорогих Роутеров Wifi
Роутер Xiaomi Ax1800 Купить
Роутер D Link Usb
Wifi Роутер Huawei E8372
3g Wifi Роутер Антенна
Wi Fi Роутер Mercusys Ac12 Обзор
Билайн Интернет Wifi Роутер
Xiaomi Роутер Нет Интернета
Wisp Режим Роутера Tenda
Home Assistant Mikrotik Router
Роутер Tp Link Ac 750
Mi Router 3 Купить
Роутер Mikrotik Hex Белый
Wifi Роутер Huawei B315s
Xiaomi Router 4a Gigabyte
Интернет Роутеры С Wifi
Купить Wifi Роутер Huawei
Tp Link Роутер Usb Модем
Mi Wi Fi Роутер 3
Модем Роутер Tp Link Archer Mr600 Купить
Максимальная Скорость Wi Fi Роутера
Wi Fi Роутер Asus Rt Ac58u V2
Роутер Zte Zxhn H298a Отзывы
Хорошие Роутеры 2022 Wifi Для Дома Рейтинг
Usb Принтер Через Роутер
Роутер Повторитель Asus
D Link 3g Router
Tracer Router
Чем Отличаются Роутеры Keenetic
Mi 4c Роутер 4pda
Роутер Tp Link C50 Характеристики
Маршрутизатор Xiaomi Mi Wifi Router 4a
Copy Router
Роутер Мгтс Gpon Huawei
Роутер Huawei Wi Fi Ax3 4 Ядерный
Wifi Роутер Код Тн Вэд
Wi Fi Роутер Zyxel Keenetic Iii
Вай Фай Роутер Zbt We 1626
Vpn На Роутере Mikrotik
Роутер Xiaomi Mi Router 4c R4cm
Huawei E3372h 320 C Роутером Zbt We1626
Роутер Alcatel Hh71
Keenetic Роутеры Официальный
Роутеры Wifi 4
Описание Wi Fi Роутера
Мобильный Wifi Роутер С Сим Картой Купить
Роутер Wifi Тп Линк Цена
Kroks Rt Brd E Роутер



















































































