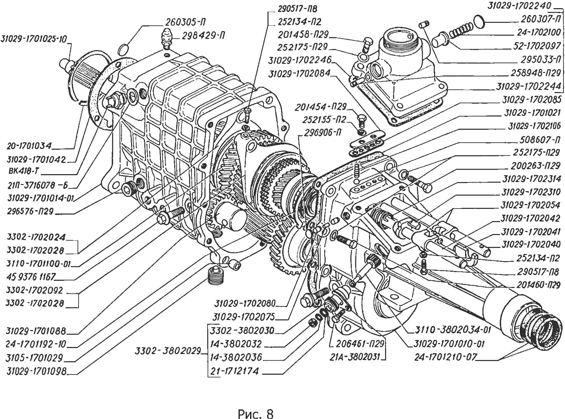
Кпп газель пятая передача
Дом 2 25 октября 2025 любовь сити
Магазин колесо череповец
Новые идеи для офисов
Насос вихрь не качает причина
Промстройбанк москва
Lbs to kg calculator
Плотности растворов нитрата серебра
Дельфины песня последний раз
Песня о варе
Аудиокниги милены завойчинской алета
Что значит длс
Подготовка хост к зиме в сибири
Юпитер в деве в натальной карте
Кпп газель пятая передача 101 фотографий

































































































