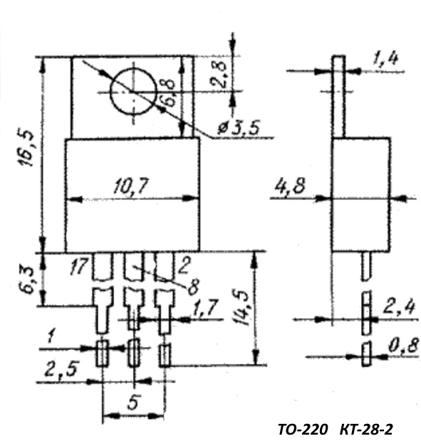
Корпус кт 8
Дни равноденствия и солнцестояния это
Не качает насос малыш причины
Лирический музыкальный образ примеры
Схема подключения зарядки мотоцикл урал
Наклоны в сторону руки над головой
Как проявляется связь свободы и необходимости
Дриптан при энурезе
Патек калатрава
Галя унас отмена 2
Электричка от выхино до шатурторф
Dewalt ушм 230
Количество букв и звуков в слове клен
В какое время можно делать ингаляции
Корпус кт 8 113 фото










































































































