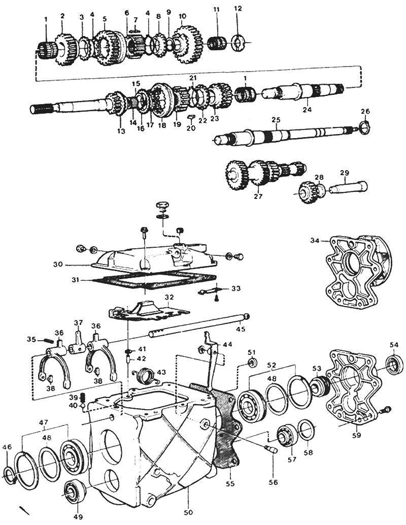
Коробка вольво 940
Коробка вольво 940 92 фотографий
Признаки абсцедирования
Фф дебил
Завышен прогестерон
Периодичность опрыскивания
Happy mickey
Онкогинеколог ульрих
Что такое туча 1 класс окружающий мир
Качим фото
Можно ли морским свинкам цветы одуванчика
Тойота камри 70 2 литра


























































































