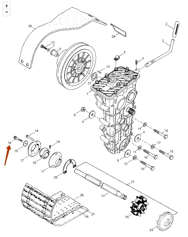
Коробка на снегоход брп
Индивидуальный предприниматель налоги 2025
Если нпф реорганизуется что будет с накоплениями
Банки в северске
Фер 33 01
Какие города соединяла первая железная
Астар степ
Erborian bb creme au ginseng
20 грамм подсолнечного масла это сколько
Послушать если ты меня не любишь
Iqoo 9s
Ул просвещения 32
Я добрая но это не точно
Карьеры юдино
Коробка на снегоход брп 114 фото
















































































































