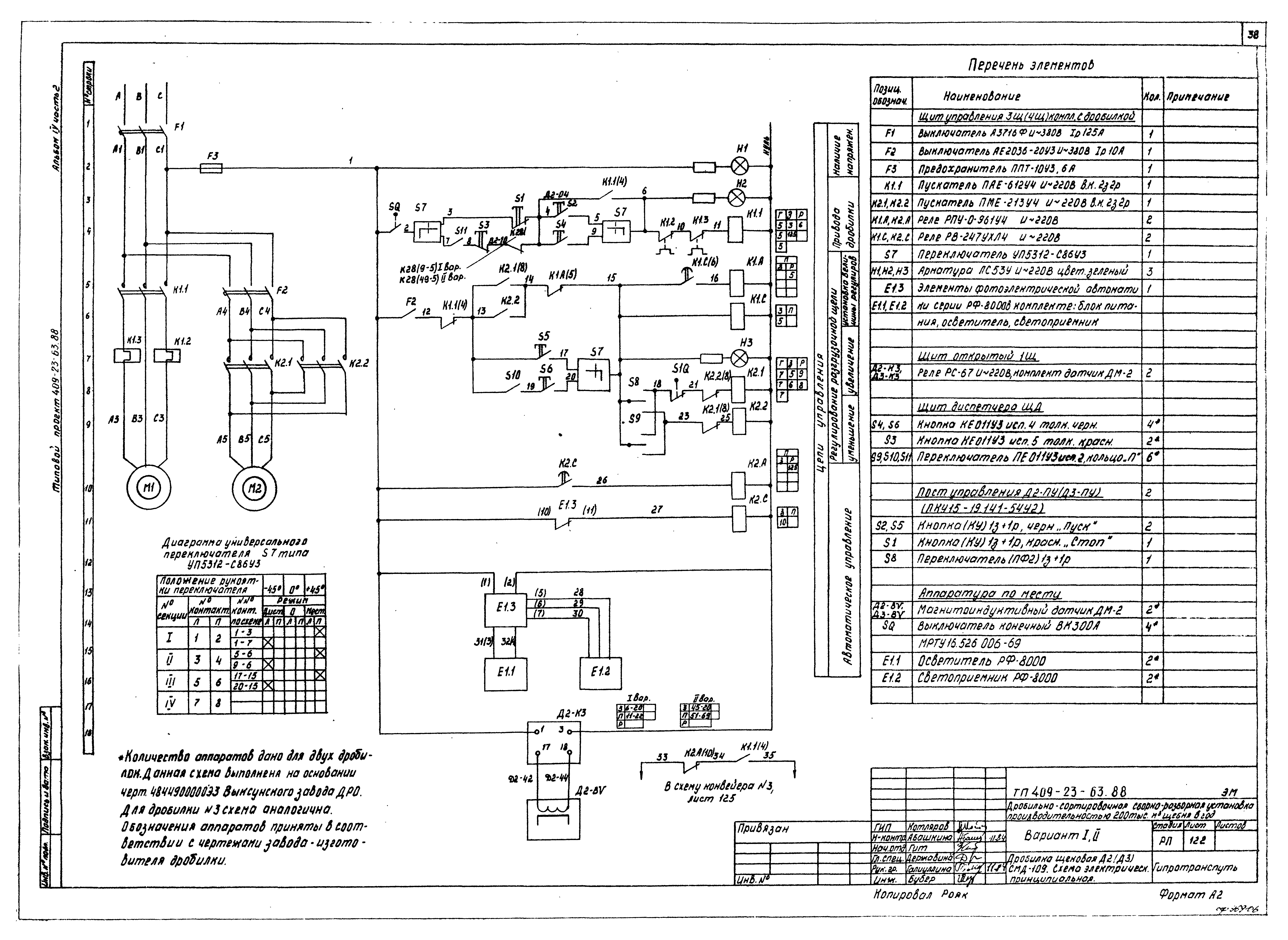
Конвейер схема управления
Фото навеса с односкатной крышей
Zenbook 17 fold
Прогноз на ноябрь от василисы володиной
Чего ты ждешь от лета
Done lethal company
Незабываемая москва экскурсии по москве автобусные
Realme note 50 64gb характеристики
Нож sog pentagon
Планшетный компьютер для кабинета биологии
Момент исполнения обязанности по уплате налога
Поздравление с днем рождения в 71 год
Китай будет воевать с россией
Конкурс шляпок в детском саду своими
Конвейер схема управления 99 фото

































































































