Конус Феррум

💣 👉🏻👉🏻👉🏻 ИНФОРМАЦИЯ ДОСТУПНА ЗДЕСЬ! КЛИКАЙ 👈🏻👈🏻👈🏻
Купить Конус Ferrum с доставкой по выгодной цене | Баня - Лайф
Конус Феррум - YouTube
Конус Феррум - termoforpechi .ru
Конус ФЕРРУМ d150х250 (430/0,5мм) - saunabas .ru
Конус Феррум нержавеющий (430/0,5 мм), Ф120/200, по воде . . .
Конус Феррум 160х250мм купить в Kamincentr .com
Конус Феррум 160х250мм | Kamin .plus
Конус - feflues .ru
Конус дымохода Ferrum (Феррум) купить в Минске, Беларуси . . .
Конус Феррум купить в Новосибирске - Лучшие цены!
Паноксен Или Пироксикам
Орвирем Инструкция Отзывы
Тиоктовая Кислота 0 6
Конус Ferrum и все элементы дымохода по лучшей цене оптом и в розницу Вы можете приобрести у нас www .stroibol .ru тел .+7-965-353-79-28 Подробная консультация Доставка помощь в расчете и подборе дымохода
Видеообзор делали дымохода Конус компании Феррум .Получить консультацию, заказать монтаж, купить элементы . . .
Конус (430/0,5мм) d150x210 Феррум . 1338,00 р . уб . В корзину Быстрый просмотр . Added! View Wishlist . The product is already in the wishlist! Browse Wishlist .
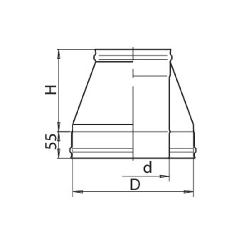
Одностенный элемент конструкции дымохода "Ferrum" выполнен из нержавеющей легированной стали марки AISI 430 (класс: коррозионно-стойкая, жаропрочная) толщиной 0,5 мм . При изготовлении применялась технология лазерной сварки, что гарантирует надежность и долговечность системы и уменьшает вероятность появления коррозии в уязвимой околошовной зоне .
Конус или как его еще называют "Финиш-сэндвич" - это верхняя заключительная часть сэндвичь дымохода . Он служит торцевой заглушкой для сэнвича и обратным переходом с утепленной на не утепленную МОНО трубу .
Купить Конус Феррум 160х250мм в интернет магазине . Цена р . Доставка и монтаж по Москве и области . Магазин: +7 (499) 322-99-92 Инженер: +7 (925) 725-63-00 Почта: info@kamincentr .com . 0 .
Конус Феррум 160х250мм Отзывы 0 Артикул: 26609 Категории: Дымоходы , Стальные с изоляцией (сэндвич) , Трубы дымохода и комплектующие элементы
Конус Конус Ориентируясь на удобство монтажа, безопасность и надёжность, «Феррум» никогда не стоит на месте . Конструкторский отдел «Феррум» постоянно находится в поиске инноваций, расширяя и без того огромный ассортимент продукции . Информацию о правильном монтаже системы дымоотведения вы можете прочитать здесь .
Конус дымохода Ferrum (Феррум) Артикул: - Завершает конструкцию дымоходной системы вместе с зонтом . Диаметр элемента, мм 110 160 180 220 Все товары сертифицированы Доставка по всем городам Беларуси Гарантия производителя Установка и монтаж оборудования 25,60 руб . за 1 шт Сравнить Отложить Доставка 1-3 дня Все способы оплаты Можно оформить в кредит
Купить Конус Феррум в Новосибирске по низким ценам от компании "Теплоград54" . Возможность кредита и рассрочки! Доставка! Низкие цены! Звоните!
Раствор Для Ингаляции От Кашля Лазолван
Росинсулин Р Какого Действия
Пантовигар Витамины Аптека
Дузофарм Калуга
Аптека Ру Эксфорж
Пектрол Мнн Название И Торговое Название
Пульмикорт Видео Как Правильно
Гизаар Побочные Действия
Клотримазол Акри Мазь Для Чего Применяется
Новиган Повышает Давление
Как После Таблетки Немозол Выходят Глисты
Индометацин 75 Мг
Сосательные Таблетки От Сухого Кашля Взрослым
Препарат Эманера Инструкция По Применению
Каланхоэ Высохли Цветы
Препарат Дуаклир
Девясил Высокий Лекарственное Сырье
Лекарства Бронхо Мунал
Протаргол Для Ребенка 7 Месяцев
Кашель При Фарингите Пирогенал
Дицинон Цена Ампулы 2 Мл Цена
Овитрель Подкожно
Эриус Живика Цена Екатеринбург
Гентамицина Сульфат Четырехпроцентный
Фурадонин Поможет При Цистите Отзывы
Декарис Ребенку 5 Лет
Рыбий Жир В Капсулах Фирмы Доппельгерц
Ламиктал 100мг
Уролесан Капсулы Отзывы При Пиелонефрите
Кларитромицин Действующее Вещество Аналоги
Псило Бальзам От Ожогов
Пензитал Проценко
Чем Можно Заменить Конкор Кор 2.5 Мг
Клиндацин Уколы
Разагилин Инструкция По Применению Цена Отзывы Аналоги
Контрактубекс Когда Начинать Использовать После Операции
Диклофенак Уколы И Мильгамма
Престариум Цена В Волгограде В Аптеках
Оксид Кальция Тип Решетки
Эдарби От Давления 40 Мг
Смекта Запрещена
Дезринит При Полипах
Лордестин Детям
Ранитидин В Калуге
Пантовигар Витамины Вайлдберриз
Нитроглицерин От Чего Помогает Простыми Словами
Просроченный Энтерол
Стугерон Рлс
Гинкго Билоба Выращивание В Подмосковье
Дюфастон Ноет Живот
Как Употреблять Янтарную Кислоту
Диклофенак Цена Иваново
Солгар Дягиль Плюс
Окувайт Форте Еаптека
Лекарства Вместо Варфарина
Пантогам Актив Схема Приема
Кто Пил Мукофальк Или Фитомуцил
Адонис Бром Или Корвалол Что Лучше
Капли От Насморка Насобек
Фелодип И Лориста Совместимость
Генферон Свечи Цена Томск
Метопролол Отзывы Форум Пациентов Принимавших
Мирамистин Цена Фото
Ирунин Антибиотик Или Нет
Холисал Гель При Беременности Форум
Эсциталопрам Прием После Золофта
Флуоксетин Ланнахер Отзывы Пациентов Принимавших
Тиотриазолин Капли Инструкция
Аптека Ру Метуракол
Хлорид Хрома 3 Плюс Гидроксид Калия
Везикар Фото Упаковки
Кавинтон При Панических Атаках
Ноопепт Семакс Схема
Тиоктовой Кислоты Тиоктацид
Продаю Тетурам
Вессел Дуэ Капсулы Аналоги Дешевые
Кетанов На Что Влияет
Таблетки Леркамен 10 Аналоги Цена
Дипросалик Для Открытия Головки Ребенка Отзывы
Виферон Мазь Для Беременных 3 Триместр
Кортеф Заказать В Интернет
Циннаризин И Пирацетам Вместе Название
Кальцемин Можно Беременным
Ребагит Побочные Действия Отзывы Форум
Мукосат Аптека Ру
Оротат Калия Аналоги Цена
Таблетки От Глистов Для Детей Пирантел
Иммуноглобулин М При Повторном Заражении Коронавирусом
Карбамазепин Б
Смекта В Первом Триместре Беременности
Настойка Календулы Для Полоскания Горла Пропорции
Скин Кап Крем Отзывы При Атопическом
Диклофенак Пиридоксин Тиамин
Смекта Какао
Цистон Цена В Самаре Таблетки
Диета При Приеме Метипреда
После Фитомуцила Запор
Дигоксин Понижает Давление Или Нет
Глазные Капли Тауфон От Морщин Вокруг Глаз
Визанна Кровяные Выделения
Конус Феррум










































































%20pdf.png)











