Контрольная работа по теме Теплоснабжение микрорайонов города

💣 👉🏻👉🏻👉🏻 ВСЯ ИНФОРМАЦИЯ ДОСТУПНА ЗДЕСЬ ЖМИТЕ 👈🏻👈🏻👈🏻
Теплоснабжение микрорайонов города - контрольная работа по . . .
Теплоснабжение района города - курсовая работа (Теория) по . . .
Теплоснабжение района города (1) - Курсовая работа . . .
Теплоснабжение района города . Курсовая работа (т) . Физика . . .
курсовая работа Расчет систем теплоснабжения микрорайона . . .
Теплоснабжение районов города - Реферат , страница 10
lkjh1 (Теплоснабжение промышленного района города . . .
Реферат на тему теплоснабжение, 8 готовых работ
Курсовая работа: Проект жилой застройки микрорайона . . .
Вводная контрольная работа по информатике для специальностей
Контрольная работа по теме Понятие и структурные элементы конституционно-правового статуса человека и гражданина
Контрольная работа по теме Evaluating the effectiveness of the transport system in Indonesia
Курсовая Работа На Тему Организация Малого Предприятия По Производству Полуфабриката – Основного Компонента Для Производства Пластиковых Ёмкостей
На этой странице Вы можете скачать бесплатно контрольную работу по строительству на тему «Теплоснабжение микрорайонов города»
Теплоснабжение микрорайонов города . Контрольная работа по строительству . 119 Кб / 24 стр / 2664 слов / 16032 букв / 15 янв 2012
Курсовая работа . Тема: Теплоснабжение района города . Исполнитель: студент ускоренной формы обучения . группы МР ИПК (набор 2007) Изместьев Денис Александрович . Улан-Удэ, 2009 . Содержание . Введение
В данном курсовом проекте необходимо разработать водяную систему централизованного теплоснабжения района города с 2-х трубной прокладкой тепловых сетей из предварительно изолированных пенополиуретаном (ПИ) трубопроводов . Источником тепла является ТЭЦ .
курсовая работа [657,7 k], добавлен 06 .11 .2012 Другие документы, подобные "Расчет систем теплоснабжения микрорайона города"
проекта _____ Курсовая работа Тема: Теплоснабжение района города Исполнитель: студент ускоренной формы обучения . . . Тепловые сети .
Бакалаврская работа на тему: Теплоснабжение промышленного района города Астрахань . - Казань: КЭИ, 1999 .
8 готовых работ на тему — Реферат на тему теплоснабжение . ★ Скачать готовые работы по теме Реферат на тему теплоснабжение прямо сейчас . Сайт «Академический Центр» .
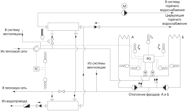
Теплоснабжение микрорайона осуществляется от ТЭЦ через городские магистральные сети, которые вводятся в микрорайон к центральному тепловому пункту, откуда по местной теплосети теплоноситель распределяется по микрорайону .
cкачать: Вводная контрольная работа по информатике для специальностей
Реферат: Деятельность Огюста Конта. Скачать бесплатно и без регистрации
Социальные Ценности Сочинение
Реферат по теме Лазерное инициирование взрывных работ
Реферат: The Tobacco Industry Liable For Its
Курсовая работа: Уголовная ответственность и состав преступления как ее основание
Постановка Проблемы В Эссе
Дипломная работа по теме Проектирование базы данных 'Автовокзал'
Реферат На Тему Современные И Популярные Виды И Системы Физических Упражнений
Добровольный Отказ От Преступления Курсовая Работа
Реферат: Денежно-кредитная политика Банка Англии. Скачать бесплатно и без регистрации
Реферат: Международные отношения в 80-90-е годы XX века. Скачать бесплатно и без регистрации
Курсовая работа по теме Налоговая политика
Реферат по теме Операциональная концепция интеллекта Ж.Пиаже
Практическая Работа Устройство Автомобиля
Реферат: Хозяйственный учет, понятие и виды
Сочинение Городская Осень Сложный План
Учебное Пособие На Тему Принципы Разработки Алгоритмов И Программ Для Решения Прикладных Задач
Реферат: Организация электронного документооборота в коммерческом банке
Дипломная работа по теме Финансовое обеспечение муниципальных услуг дошкольного образования и его совершенствование (по материалам ДОУ № 18 г. Липецка)
Сочинение О Рассказе Горе От Ума
Реферат по теме Методы изучения морфофункциональных особенностей организма спортсмена
Реферат: Рабочее время и время отдыха
Список Источников Для Отчета По Производственной Практике
Памятный День Сочинение 6 Класс По Русскому
Реферат по теме Постмодерн и концептуализм: искусство нового времени
Доклад по теме Русская теософия конца ХІХ – первой половины ХХ века
Статья: Роберт Луис Стивенсон: Сквозь бури в море и судьбе…
Диссертация Социально Педагогическая Поддержка Подростков С Овз
Сочинение Звездный Мальчик
Исследование Геометрии Пространства Реферат
Дипломная работа по теме Правовые особенности бракоразводного процесса
Реферат: Стихотворение М.Ю.Лермонтова "И скучно и грустно" . Скачать бесплатно и без регистрации
Реферат: Mending Wall By Robert Frost Essay Research
Ответ на вопрос по теме Вопросы и ответы к междисциплинарному экзамену (государственное и муниципальное управление)
Лабораторная Работа Косвенные Измерения
Дипломная работа по теме Декларация по налогу на прибыль
Реферат по теме Разработка виртуальной химической лаборатории для школьного образования
Реферат по теме Методы ухода за лесом
Реферат: Психодиагностические методы исследования личности
Курсовая работа по теме Комплексная система управления качеством
Контрольная Работа Квадратичные Функции
Контрольная работа: Международное уголовное право
Дипломная Работа На Тему Особенности Финансов Организации Малого Бизнеса
Дневник Производственной Практики Массажиста
Курсовая Работа Естественные Монополии Есть
Реферат по теме Теория общественно-экономических формаций и конвергенции идеологий в экономике
Сильный Характер Сочинение 9.3 По Тексту Погодина
Почему Любовь Не Смогла Изменить Обломова Сочинение
Доклад по теме Сенполия
Реферат по теме Пореформенная Россия 1861-1900 годов
Статья: Имение Саблы – частичка русского мира в Крыму
Реферат: Балансовые модели экономического роста
Дубровский Честь И Достоинство Сочинение
Курсовая работа: Определение оптимальных настроечных параметров системы автоматического регулирования давления
Дипломная работа: Роль контроля и анализа
Дипломная работа: Алиментные обязательства родителей и детей в российском и международном праве
Контрольная работа по Концепции современного естествознания 2
Реферат по теме Проблемы социального воспитания в современных условиях
Контрольная работа по теме Загальна характеристика процесу реструктуризації підприємства
Контрольная работа: Анализ фондоотдачи основных производственных фондов. Скачать бесплатно и без регистрации
Доклад по теме Ипекакуана обыкновенная
Курсовая работа по теме Рациональная бюрократия Макса Вебера
Доклады На Тему Дифференциальная Диагностика Бронхообструктивного Синдрома
Литературное Чтение Тетрадь Контрольная Работа
Сочинение Рассуждение Русская Осень
Технико Экономическое Обоснование Включает
Реферат: План а: Форма государства зарубежных стран: форма правления; государственное устройство страны; государственный режим
Чему Учит Сказка Спящая Царевна Мини Сочинение
Отчет По Производственной Практике Лэти
Дипломная работа по теме Инновации в дошкольном образовательном учреждении
Методическое указание по теме Деонтология в терапевтической стоматологии
Сочинение Про Достижения
Реферат На Тему Языки Мира
Вересаев Сочинения В 4 Томах
Мой Любимый Инструмент Гитара Сочинение
Реферат: Gender Inequality Essay Research Paper Gender inequality
Доклад по теме Загадка гробницы Тутанхамона
Контрольная Работа По Теме Текст 6 Класс
Контрольная работа по теме Принятие христианства на Руси и его социально-культурные последствия
Тело И Потребление Реферат
Реферат: Бактериологическое (биологическое) оружие
Реферат: Общие условия производства по делам о нарушении таможенных правил и их рассмотрения
Курсовая Работа Бизнес План Инновационного Проекта
Статья: Пургасова Русь
Реферат по теме Impact of Evolution on Human Thought. Testosterone
Титульный Лист Реферата Мининский Университет
Курсовая работа по теме Развитие наглядно-образного мышления глухих детей младшей школы с задержкой психического развития
Эссе На Тему Профессия Психолог
Эссе На Тему Зарождение Жизни На Земле
Доклад по теме Лидваль Ф.И.
Реферат по теме Моделирование взрыва
Административная Контрольная Работа 9 Класс
Божья Тварь Вариант 5 Сочинение
Курсовая работа по теме Разработка бизнес-плана фирмы ООО 'PLAZMA'
Эссе По Фильму Холодная Политика 2022
Реферат: Классическая социология 2
Курсовая работа по теме Бюджетна політика як інструмент державного регулювання економіки
Дипломная Работа На Тему Развитие Творческих Способностей Детей Старшего Дошкольного Возраста Средствами Театрализованной Деятельности
Курс Лекций На Тему Основы Экономической Теории
Сочинение по теме Винни-Пух. Милн Алан Александр
Контрольная работа по теме Теплоснабжение микрорайонов города






































































