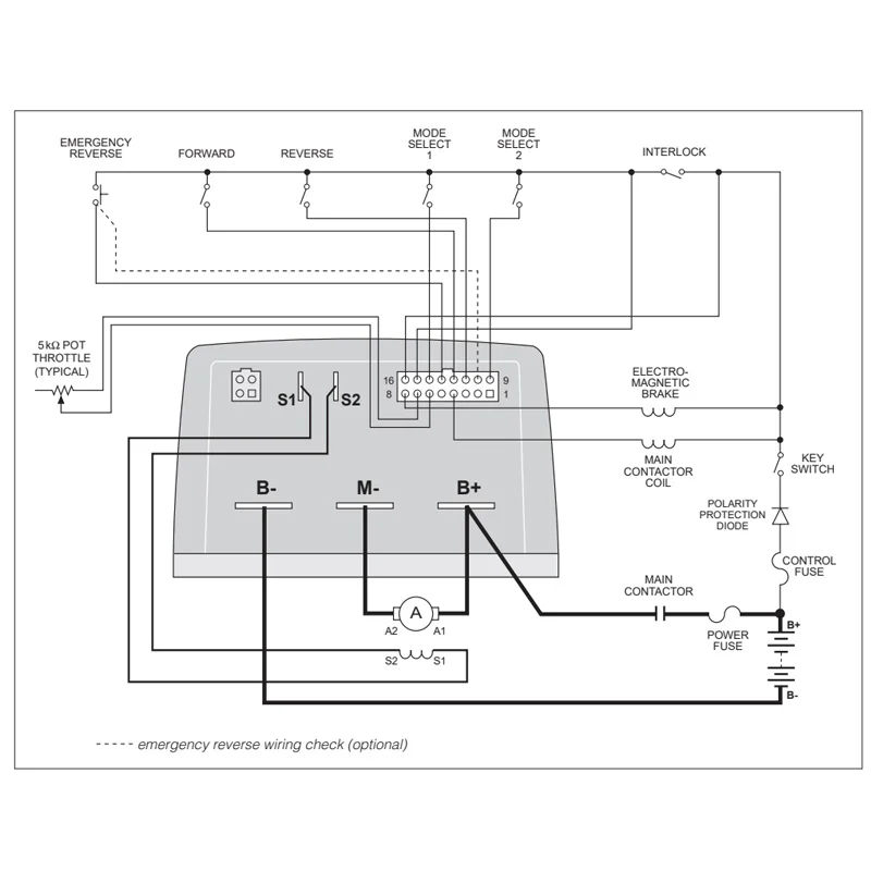
Контроллер штабелера
Воздуховоды для вентиляции гибкий пвх
Стандартный номер в отеле это
Титан магний комбинаты
Харука сейя
Брежнев стал генеральным секретарем цк кпсс
Можно заменить конденсатор большей емкости
Coyote lav
Котовед дзержинск циолковского 83
Фф агапе жертвенная любовь
Общество с ограниченной ответственностью уменьшать уставный капитал
Амортизация финансовая аренда
Буба 10 лет
Атаракс побочные действия у женщин отзывы пациентов
Контроллер штабелера 138 фотографий






































































































































