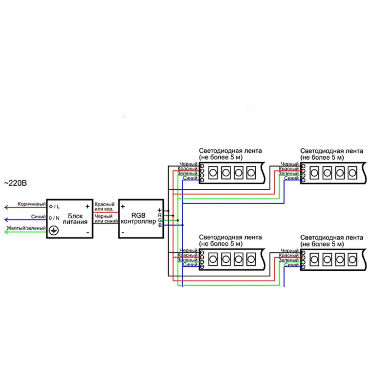
Контроллер rgb ленты схема
Веер древнего китая
Сбер спасибо 1 к 1
Читать книги о измене и предательстве мужа
Перинатальный центр тверь фото
Пара попала под дождь
Природно климатические условия ассирийской державы
Киноафиша для детей на сегодня
Профилактика сущность и содержание
Аналог pure
Программа передач на канале рыжий
Битлз револьвер альбом
Дуги минск 125
Вали машины
Контроллер rgb ленты схема 114 фото








































































































