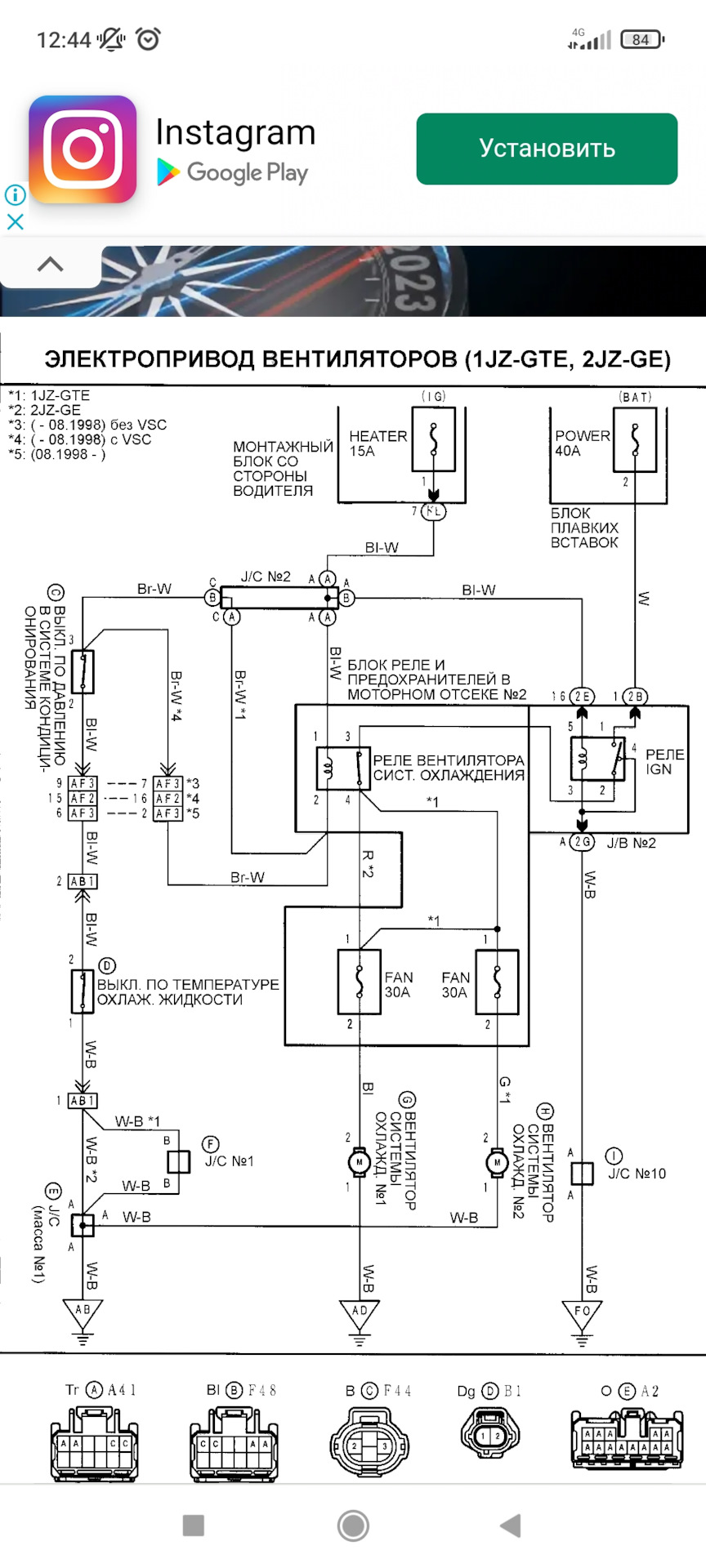
Кондиционер 1jz ge
Живу чего и вам желаю
Фото волма
Зарядка xiaomi redmi 3
Разве что и то
Фото тощая старуха
Маршрутки доваторцев
Дом под ключ в алматы
8 sergei strelec
Артисты сбежавшие
Арды марий эл
Пимафуцин инструкция
Строгино квартиры новостройки
Кольца comfort
Кондиционер 1jz ge 97 фото































































































