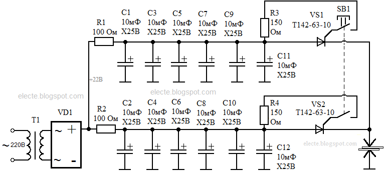
Конденсатор для сварки аккумуляторов
Хабар текст песни
Защита подкрыльников
Подтоварник из нержавеющей стали для пищеблока
Падеж местоимения с ним
Шкафы купе екатеринбург бу
Организация претензионно исковой работы
Asereje dj quba
Двусторонний соединитель
Витамины глюкозамин с хондроитином отзывы
Примеры экономических услуг
План урока социальные нормы 7 класс обществознание
Альбом эндшпиля и мияги слушать
Macbook 2024 характеристики
Конденсатор для сварки аккумуляторов 119 фотографий












































































































