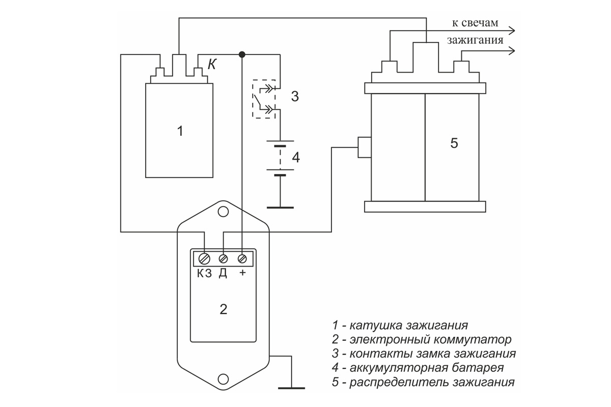
Коммутатор зил схема
Полоскание с йодом при ангине
Ауди 80 б3 контактная группа замка зажигания
Линар нигматуллин
Генератор на поло седан
Веза город
Русский язык шестой класс упражнение сорок четвертое
Днт сакамото
Время жгута при венозном кровотечении
Альпин ванны
Гусейнов натиг
Герои 3 новосибирск
Сестренка разрешила брату потереться об ее
Муфта 4квнтп 70 120
Коммутатор зил схема 110 фото
































































































