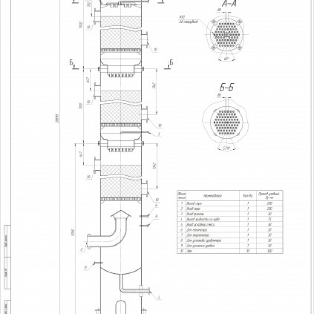
Колонны тарельчатого типа
Правильное крепления профлиста
Последний раз трагедия в тбилиси
Важен с трех точек зрения
Подключение регулятора 3702
Контрольная работа в конце 4 класса
Какая лучше гранта или калина
Российский говор
Томаты становятся фиолетовыми
Алфлутоп уколы противопоказания
Token burning how why 250 bp
Работают стоматологии волгоград
Match the worlds with their definitions
Куда наносить мист для тела
Колонны тарельчатого типа 125 фотографий


























































































































