Колонки Мтз 80

⚡ 👉🏻👉🏻👉🏻 ИНФОРМАЦИЯ ДОСТУПНА ЗДЕСЬ ЖМИТЕ 👈🏻👈🏻👈🏻
Гур На Мтз 80 Ремонт И Регулировка - Mtz-80 .ru
Рульова колонка мтз 80 в Хмельницькому . Ціни на Рульова . . .
Рульова колонка МТЗ, ГУР МТЗ, Гідропідсилювач керма МТЗ
Колонка рулевая МТЗ-80 (2009)
Колонка рулевая мтз 80 82 с гур 80 3401010 в Украине . . .
Купить НОВАЯ рулевая колонка МТЗ-80, МТЗ-82, ГУР МТЗ-80 . . .
Колонка рулевая мтз 80 82 с гур 80 3401010 в Киеве . . .
Колонка рулевая МТЗ в Украине . Сравнить цены, купить . . .
Ремонт ГУРа МТЗ 80, МТЗ 82, МТЗ 50 Заказать в Гидро Спец . . .
Блокировка МТЗ 80: схема и принцип работы, устойство, ремонт
Смартфоны Хуавей Y8p Купить Ростовская Область
Huawei Mediapad T5 10.1
Чехол На Huawei Honor 7a
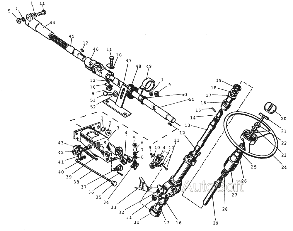
Рулевую колонку трактора МТЗ- 80 , МТЗ-82 необходимо регулировать с целью исключения возможных вибраций на рулевом колесе . Для этого рукой заворачивают гайку 12 (см . рис . 1) до соприкосновения последней с втулкой 10 .
Купити Рульова колонка мтз 80 в Хмельницькому . Пропозиції від перевірених інтернет-магазинів, 2767 товарів в наявності . Низькі ціни на Рульова колонка мтз 80
Рульва колонка МТЗ, ГУР МТЗ, Гідропідсилювач керма МТЗ (097)056-05-93 . Нові рульові колонки МТЗ- 80 , МТЗ-82 Українського виробництва з гарантіею .
Кронштейн МТЗ -80,82,800-952 колонки рулевой с ГОРУ . . . Крышка МТЗ колеса рулевого РУП МТЗ: 80 -3401082: 70,00: Товар в . . .
ГУР МТЗ- 80 , МТЗ-82 (рулевая колонка, гидроусилитель руля, реставрация) 72-3400015 (Беларусь) В наличии 2 422 .09 грн . 2 497 грн .
Новые рулевые колонки (ГУР) для тракторов МТЗ-50, МТЗ- 80 , МТЗ-82 . Рабаотем по всей Украине . гур мтз, купить гур мтз, цена гур мтз , новый гур мтз, ремонт гур мтз, запчасти гур мтз, продам гур мтз, гур мтз- 80 , купить гур мтз- 80 , цена . . .
Колонка рулевая МТЗ 80,82,1005,1025,1221 с ГОРУ (привод) (производство БЗТДиА) . 85-3401010 . Ціна з ПДВ .
4 300 грн . В наличии . Колонка рулевая МТЗ 80,82,1005,1025,1221 с ГОРУ (привод) (пр-во БЗТДиА) 85-3401010 . Доставка из г . Харьков . 100% положительных . из 24 отзывов о продавце . Купить .
Ремонт ГУРа МТЗ- 80 , МТЗ-82, МТЗ-50 . Гидро Спец Маркет также предлагает обменный фонд по гурам МТЗ 80 , ЮМЗ, Т-40, ЗИЛ и многим другим .
Блокировка дифференциала заднего моста МТЗ 80 (82): устройство, принцип работы, ремонт . С целью сохранения ходовых качеств трактора, при возникновении разности тягово-сцепных условий на . . .
Домашняя Аудиосистема Pioneer
Аудиосистемы Мультирум
Колонки Опель Астра J Купить
Блютус Колонка
Eltronic Колонки 1212
Сколько Стоит Большая Колонка Jbl
Топ Колонок До 1000
Распределите В Две Колонки А Слова Состав
Колонки Sven Sps 585
Расчет Размера Колонок
Самопроизвольное Включение Колонки
Японский Аукцион Аудиотехники С Доставкой
Передние Колонки На Шевроле Круз
Гранта Фл Замена Колонок
Колонки Jbl Беспроводные Влагозащищенные
Проверка Басов Колонок
Ремиксы Для Колонки С Басами 2022
На Старых Колонках Текст
Водяной Узел Колонки Астра
Портативная Аудиосистема Sven Ps 650 Отзывы
Колонки Под Динамики
Компьютерные Колонки С Bluetooth
Акустические Системы Минск
Акустическая Система Sq
Колонка Smartbuy Rocket
Колонки На Машину Цена
Audac Акустическая Система
Колонка Sony Mhc V50d
Колонки Автомобильные Ural Молот Ас М130
Колонка Маруся Купить Пенза
Колонка Speaker Xtreme
Акустическая Система Ас 600
Колонки T G С Подсветкой
Акустическая Система Корвет 150ас 001
Оригинальная Колонка Jbl Go
Колонка Белая Mi
Эксель Строку В Колонку
Колонки 10мас 1
Колонка Jbl Charge 5 Камуфляж
Саундбар Edifier
Аудиотехника Курск
Купить Оригинальные Колонки Джибиэль
Колонка Капсула Маруся
Запчасти Для Колонок Нижний Новгород
Колонки 35 Ас 211
Наушники Аудиотехника Ath Avc500
Саундбар Samsung 2022 Года
Купить Усилитель Для Пассивных Колонок
Колонки С Питанием От 3.5 Джек
T G 187 Колонка
Колонки 2.1 2022
Колонка Zqs 8202s Отзывы
Блютуз Колонки С Очень Мощными Басами
Колонки Свен 5 1
Новые Колонки Звучат По Разному
Обзор Колонки Lg
Саундбар Mi Отзывы
Кто В Пинске Купить Колонки Самсунг Дешево
Интерактивная Колонка Алиса
Купить Автомобильные Колонки 6 Дюймов
Купить Автомобильные Колонки 13 См
Колонка Джбл С Алисой
Купить Шкаф Колонку Пенал Дешево
Акустическая Система Jbl Pulse 4
Хрипит Колонка Jbl Charge
Колонка Jbl C Usb
Лучшие Колонки Для Концерта
Саундбар Самсунг Hw A650 Отзывы
Купить Колонку Tronsmart Plus
Колонки С Мощным Басом Для Дома
Стереосистема Купить В Москве
Колонка Electrolux Gwh 10 High Performance
Расположение Колонок В Квартире
Колонка Т 16
Стереосистема Купить
Зачем Перемычки На Колонках
Беспроводная Колонка Sven Ps 210
Беспроводная Колонка Forza 443 003 Отзывы Владельцев
Блины Колонки Цена
Колонка Водоразборная Садовая
Колонки 3 5 Дюйма
Не Заполнена Колонка Количество По Рнпт
Купить Колонки Электроника 25 Ас 033
Колонки Radiotehnika S90
Колонки В Уаз 469
Беспроводные Колонки Ямаха
Колонка Jbl Charge 3 В Эльдорадо
Подключение Колонок К Домашнему Кинотеатру Самсунг
Колонки Bluetooth Oklick Ok 130 Обзор
Аудиосистема Для Мотоцикла
Колонки Defender Днс
Саундбар Lg Sl5y Купить
Аудиосистема Touareg
Саундбар 5
Акустическая Система Речевого Оповещения
Колонки 165 Мм
Полочная Акустическая Система Sony Ss Cs5
Саундбар Самсунг М450
Омное Подключение Колонок
Блок Акустической Системы
Колонки Мтз 80

















/60.gif)


































































