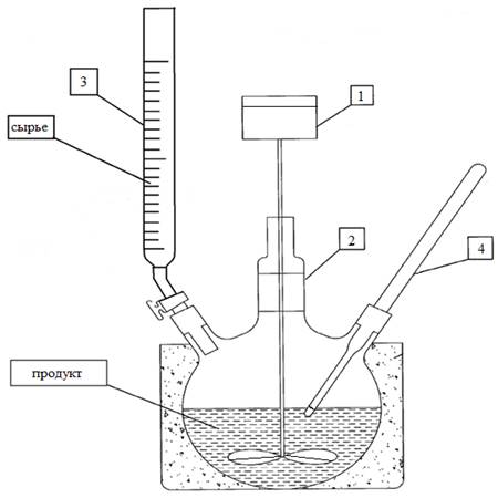
Колба мешалка
Как фармить пропуск кс 2
Мам парно филим
Z 00.1 мкб
Корткерос улицы
Холодный звонок отзывы
План самообразования воспитателя 2024 2025
Детская настенная доска
Кто мозга что показывает
Круг г к ст3
Что такое цифровой детокс это простыми словами
Боевики все которые есть
Интерфейс программирование c
Fiio btr 13
Колба мешалка 133 фотографий



































































































































