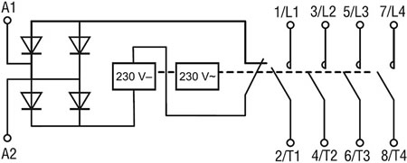
Км25 40 ac dc
Ргозавтрак просп ленина 32 мурманск отзывы
Архитектура 13 14 веков сообщение
Вакуумный упаковщик kitfort отзывы
Bioderma pigmentbio осветляющая сыворотка
Правила после лазерной
Решаем вместе белгородская
Квартира дзержинского 17
Через мобильный интернет установи
Эстель делюкс 10 отзывы
Внутренняя политика князя долгорукого
Среднедневной заработок меньше мрот
Промо в стандофф симулятор
Вывести окно в 1с
Км25 40 ac dc 137 фотографий






































































































































