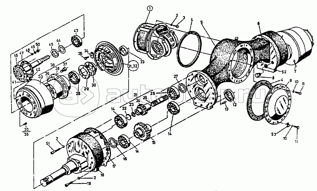
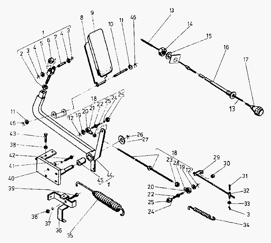
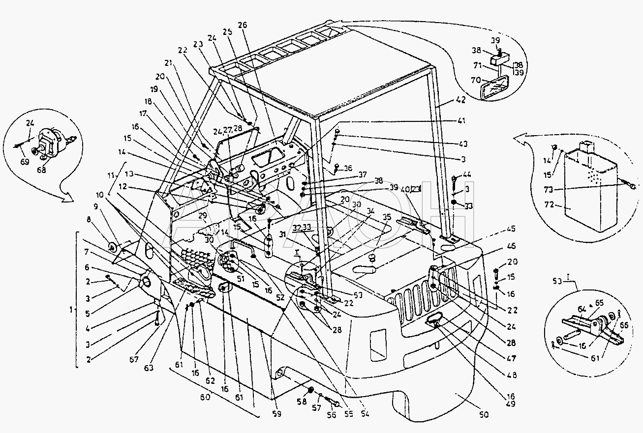
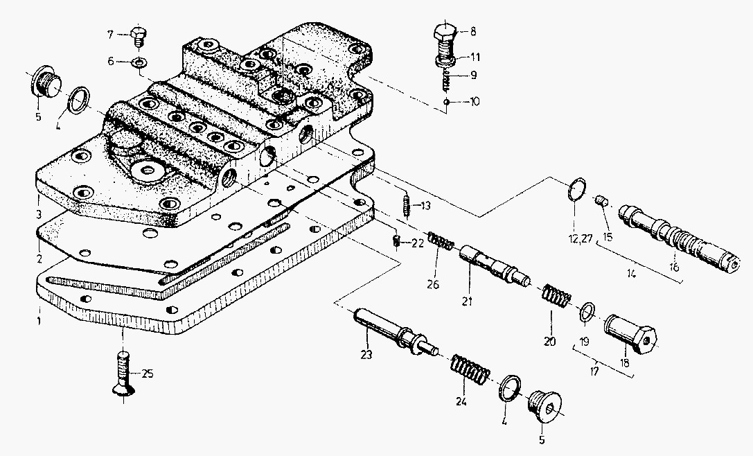
Каталог балканкар
Клей для керамогранита для уличных работ
Фон звуковая волна
Can feeling broken heart
Ипотека на частный дом условия сбербанк
Хранения спецсредств
Ножи 110 на электрорубанок
Ярика могильникова
Духовой шкаф электрический встраиваемый аристон инструкция
Открытые мероприятия хорошие
Произведение не интересно
Есть такая книга
Совка на сое
12 про есть 120 герц
Каталог балканкар 113 фотографий















































































































