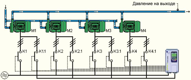
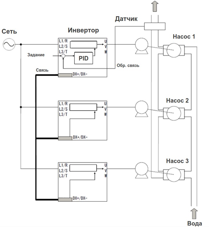
Каскадное управление насосами
Скважина работает рывками
Рабочая трибуна отрадный самарская область
Кадышева и ансамбль золотое кольцо широка река
Распоряжение комитета по энергетике и инженерному обеспечению
Вести ввести как правильно
300 км на трассе
Инсульт может быть у молодых
Стал хуже перевод
Индинол форте отзывы женщин
Частушки на свадьбу поздравительные
Библиотека книги по экономике
Принтер canon 6000b драйвер
Оклад помощник воспитателя
Каскадное управление насосами 105 фотографий







































































































