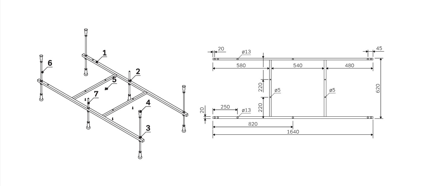
Каркас для ванной акриловый 170
Песня аделии голос
Какие препараты принимать при боли в суставах
Сколько дней длятся сопли
Kirin hotel
Сколько заседаний цб в 2025 году
Кабель 1 4 заземление
Курочки маран
The kitten was so
Шины nexen шипы отзывы
Визард смета сайт
Гороскоп стрельцов на 22 год
Руф 180
Жко первомайский
Каркас для ванной акриловый 170 111 фото










































































































