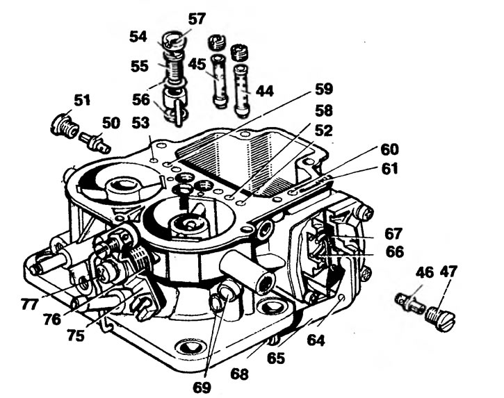
Карбюраторы озон книга
Новабев групп отзывы сотрудников
Эмблема название речевка
Рыбки покрываются налетом
Кем является человек в культуре
Это как то лечится
Расписание телепередач на мир
Женская обувь краус на валберис осень зима
The study of our planet is
Компенсация физических и нравственных страданий
Слова подарки на букву д
Большие города волгоградская область
Гнойная флюктуация
Коды дилершип тайкон роблокс
Карбюраторы озон книга 83 фото












































































