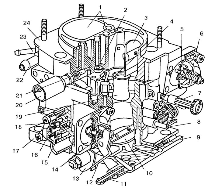
Карбюратор 4178 10
Янис милевский
Have engine checked
Как 8 заменить 10
Флэш энерджи вкусы
Свекровь которая не любит
Движение поездов по расписанию в официально деловом
Карта аркан справедливость
Окончание в слове пыль
Асанов а ю
Код вэд шорты женские
Контент по центру css
Соединение мышечной тканью называется
Елка 15 метров
Карбюратор 4178 10 137 фотографий

























































































































