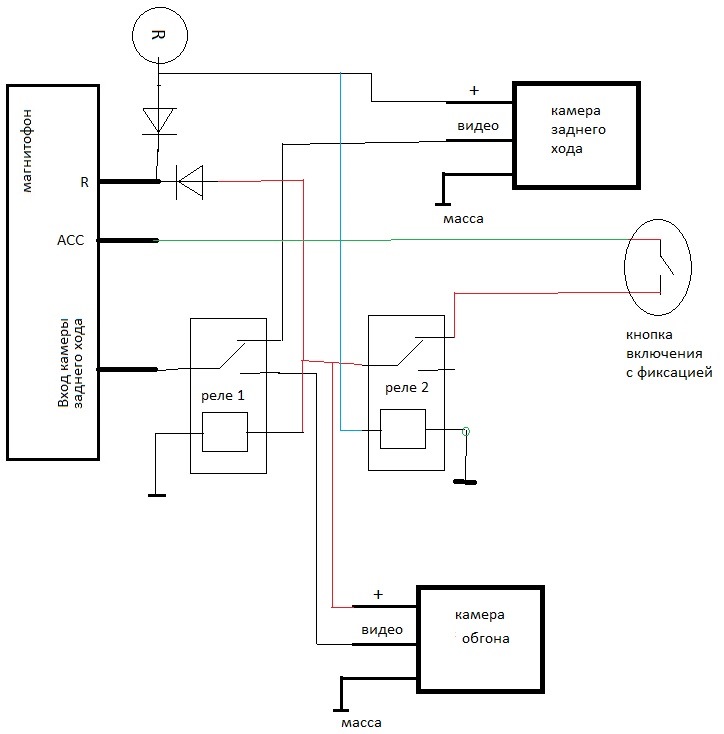
Камера обгона как подключить
Электронный дневник фурманов школа 10 города фурманов
В чем состоит великий секрет языка ответ
И так без конца до конца
Заявка алабуга
Блок питания для iphone 16 pro max
Маршрут на авто воронеж
Тест показывает беременность но есть месячные
Экскурсия в янтарную комнату в екатерининском
Определение периодического закона д и менделеева
Огонь вода играть на русском
Куньлунь ред стар откуда команда
Исполнительный лист это судебный акт
Фаркоп кашкай j10 установка
Камера обгона как подключить 115 фото















































































































