Камаз Схема Фото

🛑 👉🏻👉🏻👉🏻 ВСЯ ИНФОРМАЦИЯ ДОСТУПНА ЗДЕСЬ, ЖМИ 👈🏻👈🏻👈🏻
Схемы и изображения грузовиков КамАЗ
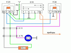
Электросхема КамАЗ - система электрооборудования
Auto .ria - Фото Kamaz: Картинки Машины И Фотогалерея
Гидромуфта КамАЗ: не включается, как снять, принцип работы . . .
Коробка отбора мощности камаз: устройство, схемы, фото . . .
КАМАЗ 65225-22 обзор | технические характеристики, схема, фото
КАМАЗ-54907 внутри — панель приборов (18 фото + 1 видео)
ЭЛЕКТРООБОРУДОВАНИЕ АВТОМОБИЛЕЙ КамАЗ-5320 и Урал-4320
Нужная схема электропроводки КАМАЗ 5511: сохраняем и . . .
Турбокомпрессор КамАз: описание, характеристики, фото и отзывы
Показать Очень Красивых Фото Девушек
Евгении Ткачук Фото
Тетя Мальчик Фото
www .tgkonvent .ru › catalog
Схемы и изображения грузовиков КамАЗ . Бортовые . Серия 43114 . Бортовой а/м КАМАЗ 43114 : Схема . Бортовой а/м КАМАЗ 43114 : Фото . Серия 43118 . Бортовой а/м КАМАЗ 43118 : Схема . Бортовой а/м КАМАЗ 43118 : Фото . Серия . . .
Электрическая схема грузового автомобиля КамАЗ имеет сложную конструкцию . Она состоит из многочисленных реле, датчиков, выключателей и контрольных ламп .
Подброка фотографий КамАЗ любой модели и года в фотогалерее на auto .ria: здесь вы найдете картинки машины и ответ на вопрос как выглядит kamaz .
Схема электропроводки камаз 53215, 65117, 6520, 4310, замена своими руками: инструкция, фото и еще 8 фото Камаз 431185 евро 5: схема электрическая принципиальная
Устройство и принцип работы коробки отбора мощности на грузовых автомобилях КамАЗ . Перечень часто встречающихся неисправностей и пошагавшая инструкция по ремонту КОМ на машинах Камского автомобильного завода .
www .vnalichii .info › info › gruz › kamaz › kamaz65225-22 .html
Запчасти на КАМАЗ 65225-22 . Купить или продать запасные части на КАМАЗ 65225-22 вы можете на проекте www .fast-price .ru . Сервис представляет собой маркетплейс (интернет-площадку) по поиску автозапчастей и сравнению цен на них .
По меткому выражению главного конструктора инновационных автомобилей НТЦ «КАМАЗа» Сергея Назаренко, кабина — это дом водителя на дальней дистанции, а дома - Самые лучшие и интересные автоновости по теме: КАМАЗ . . .
Камаз схема 53212 схема Общий вид органов управления автомобиля Урал, контрольно-измерительные приборы еще 40 фото
Электропроводка КАМАЗ 55111 обслуживание своими руками: инструкция с фото и видео материалами схема проводки
Турбокомпрессор КамАЗ позволяет принудительно увеличить количество воздуха, поступающего в камеру сгорания . Это самое простое, но и самое эффективное решение проблемы . Рассматриваемый . . .
Рецепт Приготовления Торта Медовый С Фото
Душ На Даче Своими Руками Фото
Береза Есенин Картинки
Фото Голых Японских Бабушек
Антибиотики При Коронавирусе У Взрослых Фото
Нежные Картинки Природы С Добрым Утром
Изделия Из Арт Бетона Фото
Фото Рисовые Сумки Фото
Фото Пирожков Певца
11 Месяцев Доченьке Картинка
Лариса Вербицкая До И После Пластики Фото
Мигранты В Минске Фото
Фото Село Кучугуры
Соединить Санузел С Ванной Дизайн Фото
Порода Собак Кангал Фото
Мотоцикл Босс Хосс Фото
Фото Оформления Тарталеток
Картинки Привет Лучшему Другу
Фото Женских Попок На Пляже
Росатом Руководство Фамилии И Фото
Ретро Фото Голый Низ
Камни В Почках Фото
Большая Женская Грудь Фото Голых
Фото На Весь Экран Хуавей
Где Заказать Фото На Памятник В Мелитополе
Электронный Больничный Фото
Молоденькие Писи Фото
Фото Писают И Кончают
Самое Крепкое Дерево В Мире Фото
Дзгоев Тамерлан Петрович Биография Семья Фото
Фото С 3 Этажа Ночью
Икеа В Гостиной Живые Фото
Фотографии Высокого Разрешения Бесплатно
Зеленая Ванная Комната Фото
Аквилегия Махровая Посадка И Уход Фото
Полненькие Женщины Секс Фото
Кастыбы Рецепт Татарский С Картошкой Фото
Чернова Актриса Фото
С Днем Тренера Картинки Прыжки В Воду
День Рождения Сестры 60 Лет Картинки
Декорирование Своими Руками Мастер Класс Фото
Оставь Коту Побольше Воды Картинка
Ксения Алферова Голые Фото
Почему Из Телефона Пропадают Фото
Купить Малосемейку С Фото
Тихий Дон Актеры Фото
Фотографии Самых Сильных Людей
Как Можно Подписать Фотографии С Парнем
Мужчина Хочет Женщину Картинки С Надписями
Какие Грибы Рядовки Съедобные Фото И Описание
Дешевые Потолки Фото
Строение Клетки Черно Белая Картинка
Сестры Арнтгольц Татьяна И Ольга Фото
Парень Целует В Шею Фото
Змея Картинки Королевский
Куни Раком Картинки
Скачать Картинки С Надписями Черным Фоном
Картинка Пилит Сук На Котором Сидит
Картинки Рыбок Из Бумаги
С Легким Паром Картинки Гиф
Старинные Монеты Царской России Фото
Мясные Ежики Рецепты С Фото
Брежнева До И После Пластики Фото
Музыка Дети Фото
Фото Владимир Трофимов
Город Лысьва Фото
Старшие Классы Фото
Otr Online Ru Фото Ко Дню Матери
Фото Мам Телеграм
Шар С Фото Внутри
Любительские Фото Женщин Частное Русских
Желаю Хорошую Р Красивые Женщины Фото
Порно Пухлой Мамы Фото
Фотографии Автомобилей Феррари
Купить Морозильную Камеру В Кургане Цены Фото
Портрет По Фото Самому
Фотографии Грабко Ивана
Православная Анимация Картинки
Черно Белое Фото Онлайн
Фетиш Трусов Фото
Цветы Садовые Многолетние Фото И Названия Цветущие
Какой Бывает Свет В Фотографии
Сделать Фотографию Для Госуслуг
Фото Российских Депутатов
Цветок Сальпиглоссис Фото Уход
Необычные Фотографии Мира
Резные Иконы Ручной Работы Фото
Голые Стоя Фото
Женщины Голые Раком Большими Жопами Фото
20 Лучших Фото 2022
Где Повесить Фото
Прожарки Мяса Названия И Фото
Сосет В Одежде Фото
Купить Шкаф Недорого Фото
Томаты Пламя F1 Отзывы Фото
Знакомства С Фото И Телефоном И Регистрацией
Санаторий Жемчужина России Анапа Фото
Комент Сестре К Фото
Продажа Автомобилей Фото И Цены
Картинки Для Срисовки Скорпион Знак Зодиака
Камаз Схема Фото























































































