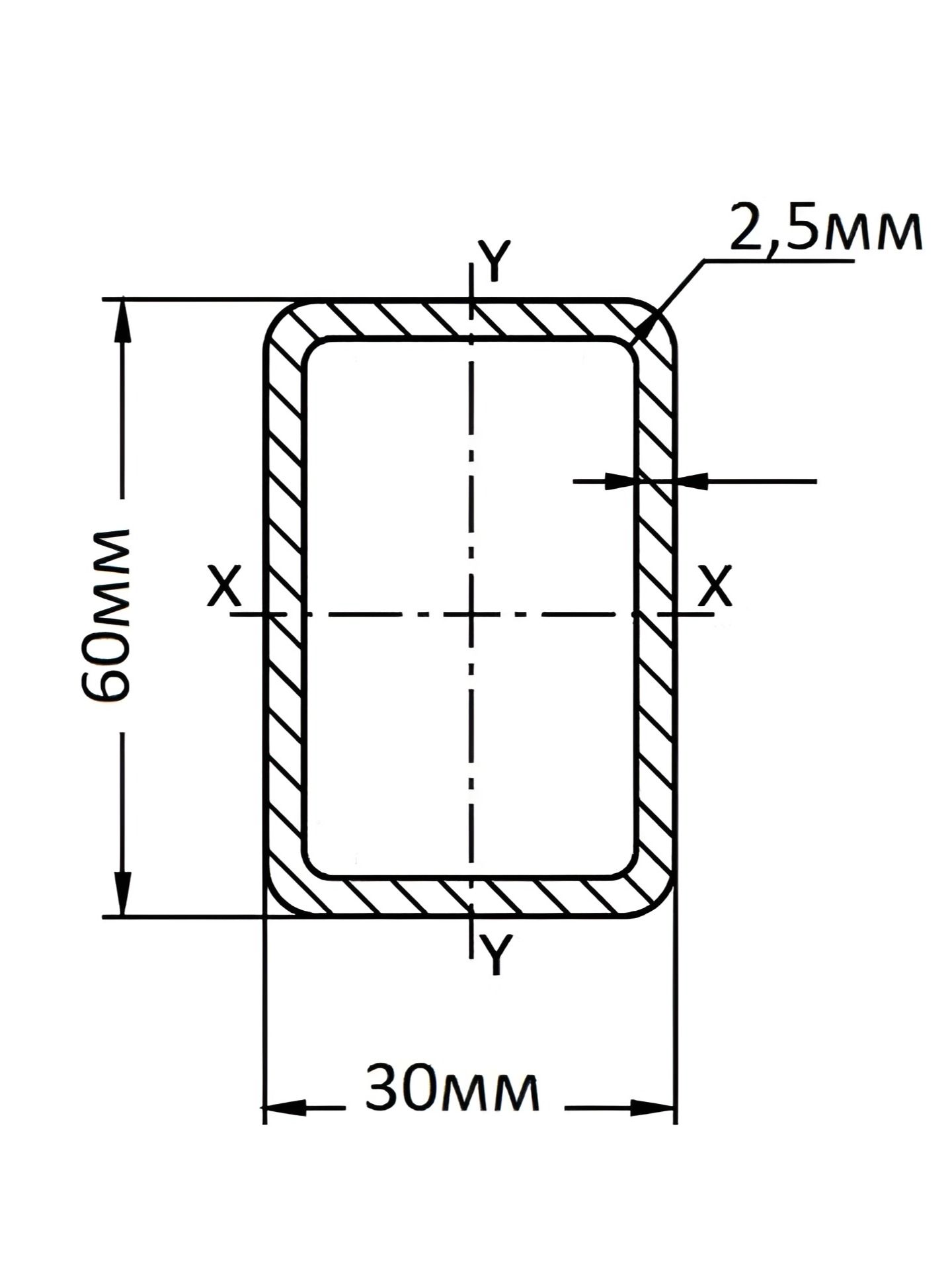
Какие бывают размеры профтрубы
Река во франции на букву а
Благотворительный проект мир
Спортивная обувь сканворд
Спагетти с беконом без сливок
Мелкая гусиная кожа
Возможности цветного принтера
Пчелиный волк фото
Net в зарплате это
Тормозной цилиндр митсубиси кантер
На неделе или недели как правильно пишется
Увеличение чистой прибыли проводка
Музыка для зарядки современная танцевальная взрослым
Органы земельного надзора и контроля
Какие бывают размеры профтрубы 131 фото



























































































































