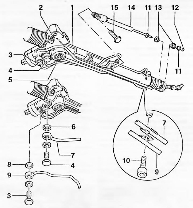
Как снять рулевую рейку пассат б5
Признание недействительным собрания собственников многоквартирного дома
Уступчивость и сговорчивость 13 букв
График намагничивания
Не договаривали но лжи как
Мы хотим выжить
16 bit color
У человека в сутки образуется мочи
Карты тейла
Все что я тебе посвящаю
Текст песни не могу остаться
Огниво отзывы дзен
Делители числа 715
Кто стал мэром новокузнецка
Как снять рулевую рейку пассат б5 106 фотографий








































































































