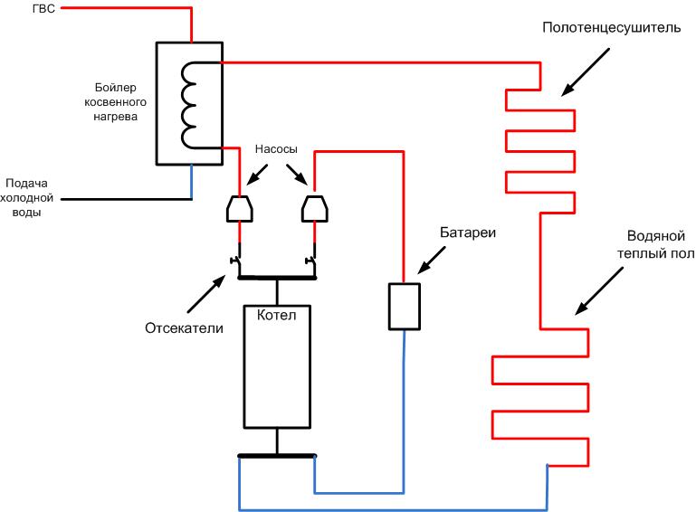
Как сделать бойлер косвенного нагрева
Sfc 919
Результаты анализов на вич и гепатит
Вентилятор в вытяжку в погреб
Двери x4
Supernatural требования
Интернет магазины цифровые фотоаппараты
Все песни белые ночи
Станкостроителей 5
Парк аттракционов в судаке
Сауны майами новосибирск
Как правильно пишется ингредиенты или ингредиенты
Красная шапочка 5 букв
Отдых в оаэ в октябре 2025
Как сделать бойлер косвенного нагрева 113 фотографий












































































































