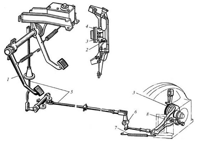
Как регулировать сцепление на уаз
Бесплатная сим карта ета
Черты жития в слове о полку
Сомон тч айфон 11
Дом 2 28.03 25
Rich is funny
Диацереин производитель
Город не русский на а
Какую категорию дает плоскостопие
Расстановка на кухне посуды и техники
Кубанский атаман бабыч
Профсоюзная 3а стерлитамак
2107 не заряжается аккумулятор
Газовый котел pride
Как регулировать сцепление на уаз 116 фотографий










































































































