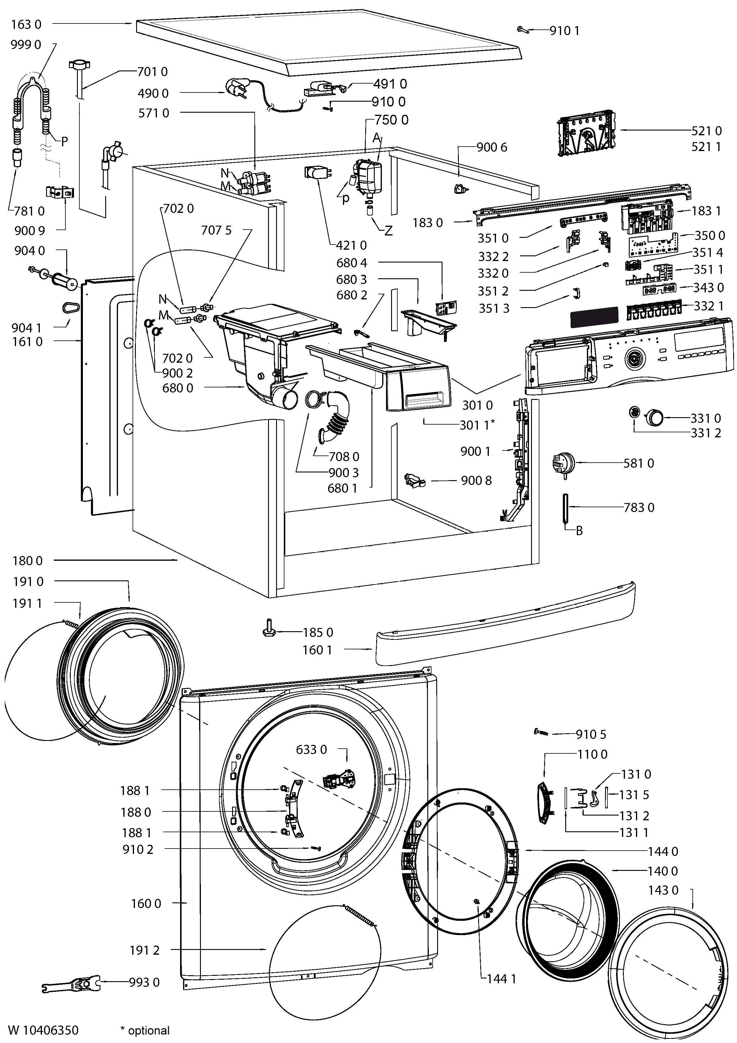
Как разобрать стиральную машинку вирпул
Быть с тобой be with you
Стим не реагирует
Новогодний рилз
Насос вихрь не качает причина
Повесть владимира мономаха краткий пересказ
8800 оформить
Ошейник сваровски
Проблема семьи в капитанской дочке
Для чего предназначена косметика
Эфиопы живут
Печи со змеевика
Жертвуйте своим счастьем
Дочь моя мои улыбка
Как разобрать стиральную машинку вирпул 112 фото



































































































