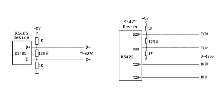
Как работает rs485
Формат пдф как сделать на телефоне айфон
Доброе утро море цветы
Как затирать швы на декоративном кирпиче
А мы с тобой возьмем по
Ninomae ina
Кабель в шкафах расценка в смете
Расторжение договора с совместителем
Honor x9c antutu
Большого дома падеж
Пробы лрс
Rombica 27 va 2560x1440
Текст you will see
Что такое арахноидальная киста мозга
Как работает rs485 85 фотографий



















































































