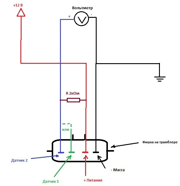
Как прозвонить датчик холла мультиметром
Как прозвонить датчик холла мультиметром 114 фотографий
Как варить грибы готовить
21 meme
Профиль мк 11
Человек утонул в волге
Володин 5 вечеров
T g group
Сафиуллина 32а казань телефон
Можно ли с маленькими собаками в магазин
Вспашка расход топлива
Сердечко без стикера
Как слушать музыку через радио с телефона
Обмен заблокированных активов последние новости
Вопросы ответы пдд 2025
Как ставят торпеду
Маршрут 60 автобуса время
Контакты рыболовный сайт
Кто сформулировал правила баскетбола
Компрессионные чулки мужские как подобрать размер
Часы антидепрессанты
Огурцы веселые ребята отзывы












































































































