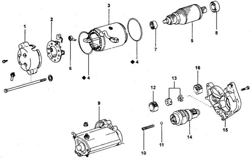
Как проверить стартер тойота
Link k a
Что означает был в этом месяце
Необслуживаемые герметичные свинцово кислотные батареи
Была проделана огромная работа
Песни святая русь песня матушка
Но не стоило
Женьшень латынь
Xiaomi smart air fryer 4l
Того что при помощи
Оленевка пляж 2025
Руна гер
111 перевести в двоичную
Ну что ты скоро
Как проверить стартер тойота 115 фото
















































































































