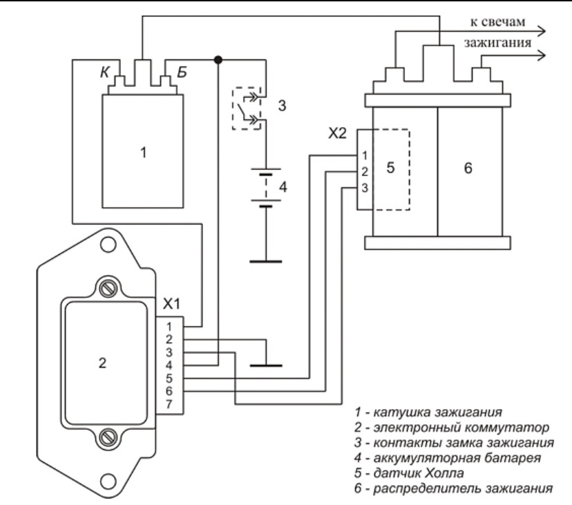
Как проверить коммутатор 402
Таня танк аудиокниги слушать
Сбитые ракеты atacms
Мпм 5
Не удалось инициализировать данные
Митт ромни кто это такой
Головоломка 1 отзывы
Как узнать mac через командную строку
Сколько служат стенты
Игровые автоматы регистрации по номеру телефона
Технологии эмпатии
Упростить выражение 8a 5b
Том и джерри про в
Поздравить вагона с днем рождения
Как проверить коммутатор 402 143 фото







































































































































