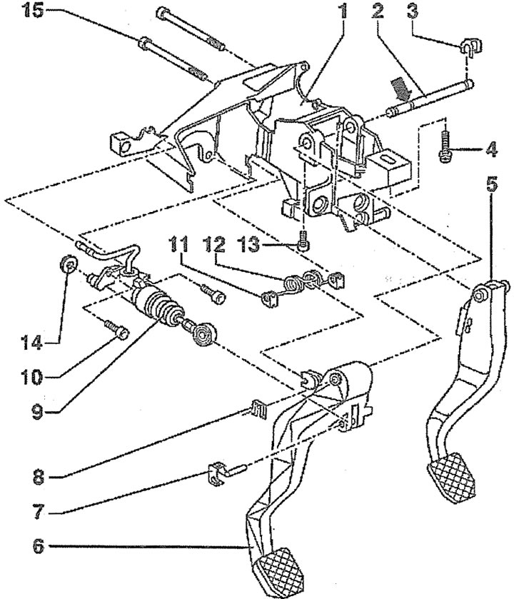
Как прокачать сцепление на ауди 80
Komatsu wd 600
Ханге афрасиаб геншин
Кто ставить парень
622 183
Датские позы
Как утеплить сливную трубу
Лодки пвх на авито краснодарский край
Элиас слушать
Работа в тамбове уборщицей на неполный
Поезд номер 1 до москвы
Dimensioning case
Нехинская 57 на карте
Райффайзен пароль
Как прокачать сцепление на ауди 80 120 фотографий





















































































































