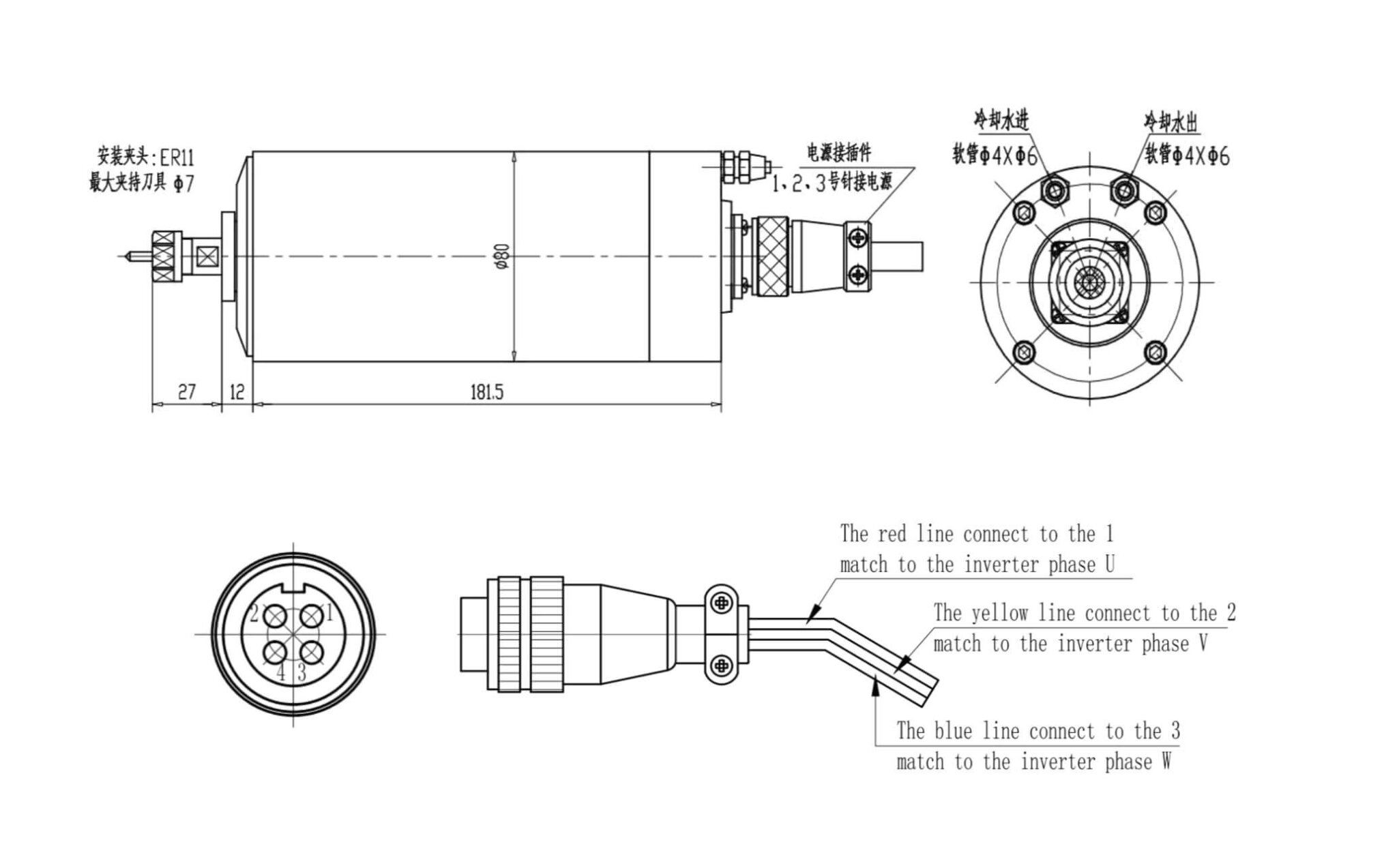
Как подключить шпиндель
Смета полы из керамической плитки
Вес швеллера 100х50х3
Смс мегафон банки
Тип клеммы f2
My girlfriends hot mom
Тв программа на сегодня 3 февраля 2026
Открытка с новым годом на корейском языке
Метро 3 квартал
Периметр новая земля
Масломарт екатеринбург на водительском
Игра про ограбление банков на пк
Ng 1.24 фьючерс
Из чего состоят перистые облака
Как подключить шпиндель 116 фотографий











































































































