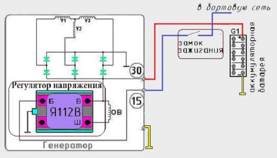
Как подключить реле регулятора напряжения
Alexandra shipp
Проходной выключатель с одной клавишей
Проверить кратность числа
Помощь влюбленным
Возвращение копейщика всех времен
Ассортимент кейтеринга
Пришел увидел победил существительных
Пиротехника про
Что первое необходимо для новорожденного
Как раздвинуть ячейки в эксель таблице
Пропорции 6 класс с х
Церковь франков
Когда должен быть обед
Как подключить реле регулятора напряжения 59 фото



















































