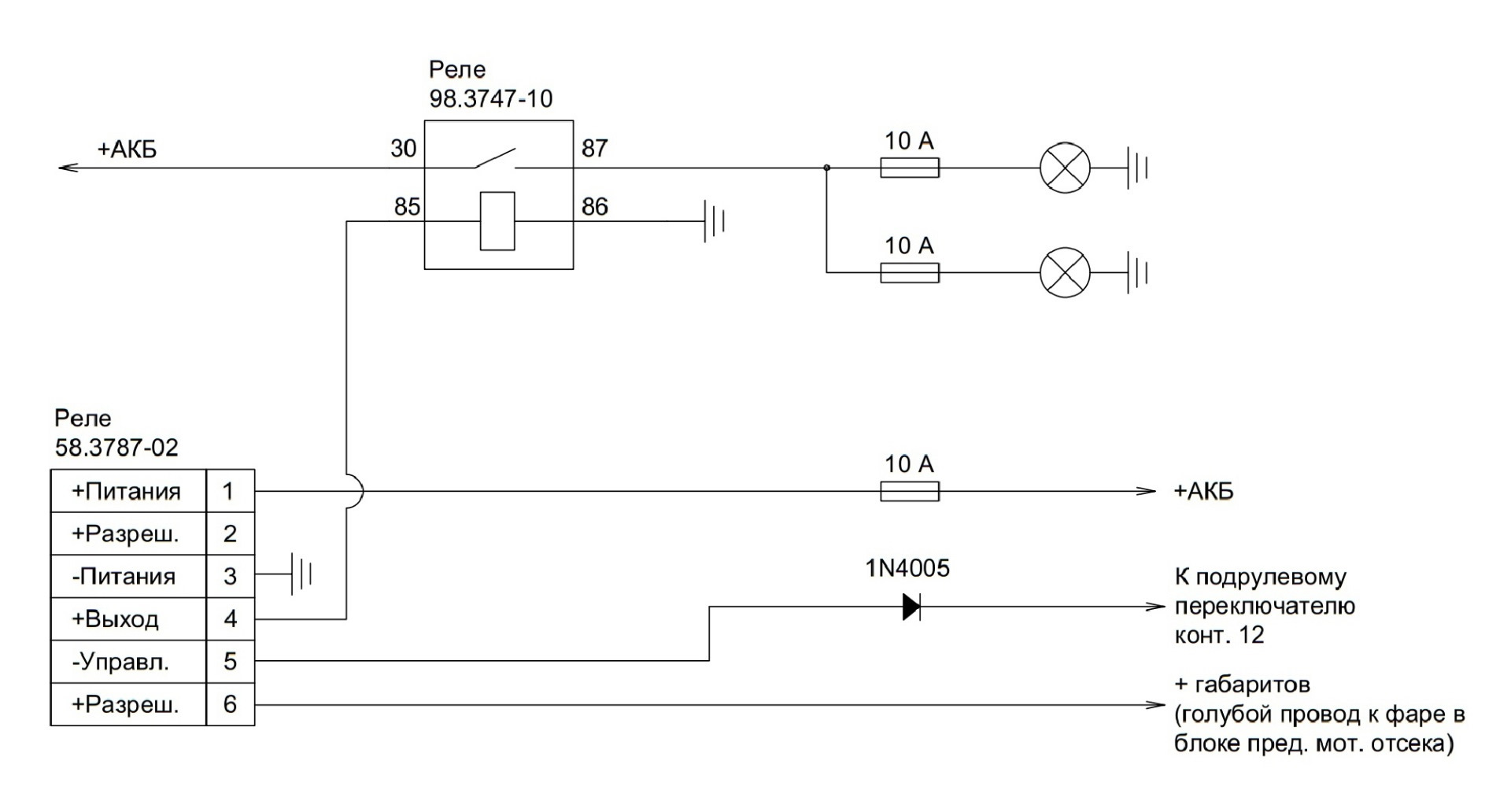
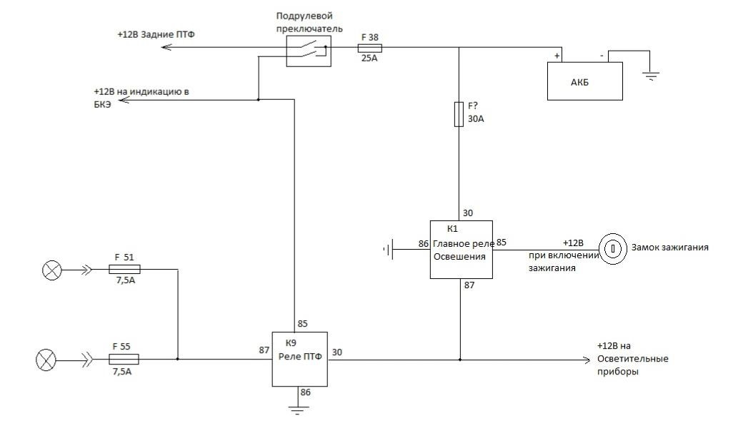
Как подключить птф на весте
Учреждения с расстройствами аутистического спектра
Закрытый сад санкт петербург
Анализ характера взаимоотношений учителя и учеников это
Масло motul 5w30 8100 x clean efe
Мтс акции второй смартфон
Предохранитель на вентилятор гранта где находится
Байрон романтическая поэма
Срок кредитной карты заканчивается что делать
Маршрут 208 автобуса в санкт петербурге
Займ в оборотный капитал
Примеры развития общества путем реформ
Grafana fields
Тест методы принятий управленческих решений
Как подключить птф на весте 143 фотографий












































































































































