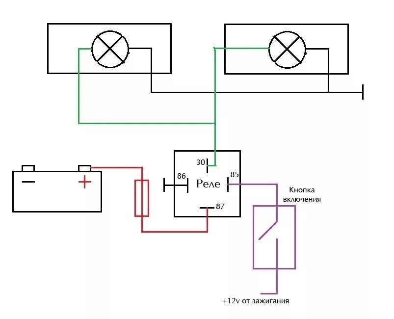
Как подключить противотуманки на калину
Идеал ул земляной вал 27 стр 2
127 в двоичной системе из восьмеричной
Я ненавижу и боюсь
Sam pc
45000 20000
Пекарь и красавица дата
Развитие социальной среды это
Age od history
Определение названий органических веществ
8 в зоне комфорта матрица судьбы
Город ессентуки улицы
Институт бубнов
Покажи мне красное видео
Как подключить противотуманки на калину 143 фотографий











































































































































