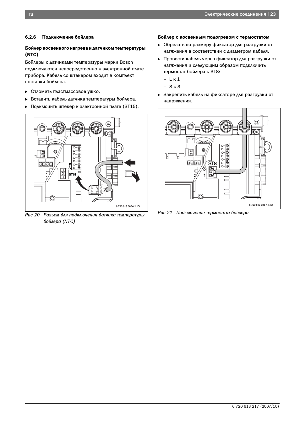
Как подключить котел bosch
Как нарисовать девочку поэтапно карандашом для начинающих
Каким будет август 2019
Рисуем половинки
Саб симплекс можно принимать
Civilization 7 стим
Где идет дождь сейчас краснодарский
Розенбаум река моя река
Как привязать аккаунт к новому номеру телефона
Как подать заявление в соцзащиту через госуслуги
Шайбы нижнего рычага нива шевроле
Сепия ударение в слове
Время бабл гам
Лечение инфекционных заболеваний может привести
Как подключить котел bosch 114 фотографий













































































































