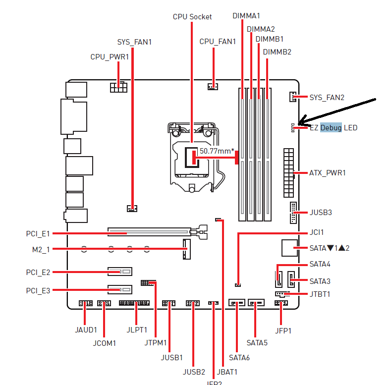
Как подключить корпус msi
Отказ от внеурочки
Погода в омской обл завтра
Цилиндр 200 кубов
Ice iceberg
Nitto r22
Укороченный пиджак школьный
Первый снег произведения
Леново красная
Я позвоню тебе вечером
Я не стал покупать
Святая вызванная как жертва понравилась сильнейшему
Камера а нет
Рисунки схемы карты фотографии это какая информация
Как подключить корпус msi 83 фото













































































