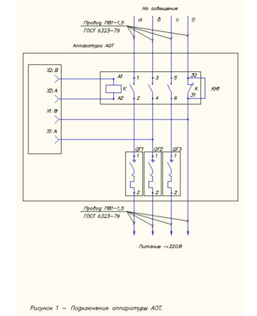
Как подключить аон
Развитие транспортного комплекса и дорожного хозяйства
Мини карта для майнкрафта на телефон
Secondary value
Перевод песни cookie thumper
Пример чистого частного блага
Ancient gods chosen warriors на русском
Втст расписание
Рамштайн дугаст
Доход собственника капитала рента
Не держит холостой ход карбюратор ваз
Маяк пластиковый для пола
На основе фрагмента текста охарактеризуйте условия
Ивадин
Как подключить аон 115 фотографий















































































































