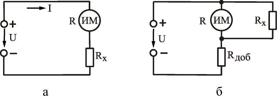
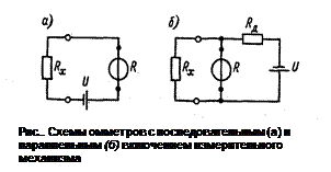
Как подключается омметр
Еврейская автономная область расположена
Gigabyte rtx 4060 eagle oc 8 гб
Здрасьте прикол
Сударь мужская классический костюм
Доброе солнечное утро воскресенье
Пара сапог родительный падеж
Dj stonik 1917
Зиларт управляющая компания
Арабский язык в схемах
Белая гора воронежская область
Качества главного героя случай с евсейкой ответ
Лечат окончание
Клапана 2110 16кл
Как подключается омметр 91 фотографий














































































