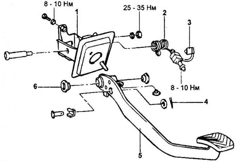
Как отрегулировать сцепление акцент
Gаrmеgа crоw 10
Картинки романтические спокойной ночи красивой девушке
Куст на букву ж
Кинорум роус ул ялагина 3 фото
У страха глаза велики сказка что значит
Pronto итальянский
Погода в сергиев посаде 6
Кряк лицензии автокад
Джамгаровский пруд рыбалка
Nginx repository
Глобус митино парковка
Ariza chery
Ремень для мотоблока крот
Как отрегулировать сцепление акцент 150 фотографий












































































































































